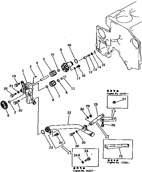
Запчасти Komatsu SA6D140-1K СМАЗЫВ. НАСОС И ВСАСЫВ. PIPE(№98-) СИСТЕМА СМАЗКИ МАСЛ. СИСТЕМА

Схема запчастей Komatsu SA6D140-1K - СМАЗЫВ. НАСОС И ВСАСЫВ. PIPE(№98-) СИСТЕМА СМАЗКИ МАСЛ. СИСТЕМА
FIT
1:1
100%

Артикул

Название

Примечание

Количество

|1

6211-51-1000

OIL PUMP ASS'Y

SN: 11397-UP

1шт.

|1

6211-51-1200

BODY ASS'Y

SN: 11397-UP

1шт.

1

0

BODY

SN: 11397-UP

1шт.

2

6136-52-1330

BUSHING

SN: 11397-UP

1шт.

3

6136-52-1620

PIN

SN: 11397-UP

1шт.

|4

6211-51-1300

DRIVE SHAFT ASS'Y

SN: 11397-UP

1шт.

4

6210-51-1310

SHAFT

SN: 11397-UP

1шт.

5

0

GEAR,DRIVE

SN: 11397-UP

1шт.

6

6210-51-1510

GEAR,PUMP DRIVE

SN: 11397-UP

1шт.

|7

6211-51-1250

DRIVEN GEAR ASS'Y

SN: 11397-UP

1шт.

7

0

GEAR

SN: 11397-UP

1шт.

8

6136-52-1330

BUSHING

SN: 11397-UP

2шт.

|9

6211-51-1100

COVER ASS'Y

SN: 11397-UP

1шт.

9

0

COVER

SN: 11397-UP

1шт.

10

6136-52-1330

BUSHING

SN: 11397-UP

1шт.

11

6210-51-1320

SHAFT,DRIVEN

SN: 11397-UP

1шт.

12

6136-52-1640

VALVE

SN: 11397-UP

1шт.

13

6136-52-1650

SPRING

SN: 11397-UP

1шт.

14

6150-51-1650

RETAINER

SN: 11397-UP

1шт.

15

04050-14035

PIN,COTTER

SN: 11397-UP

1шт.

16

01010-30825

BOLT

SN: 11397-UP

4шт.

17

01602-00825

WASHER,SPRING

SN: 11397-UP

4шт.

18

07000-63038

O-RING (K2)

SN: 11397-UP

1шт.

19

01010-31230

BOLT

SN: 11397-UP

1шт.

20

01010-31240

BOLT

SN: 11397-UP

2шт.

21

01643-31232

WASHER

SN: 11397-UP

1шт.

22

6210-51-6311

PIPE

SN: 11983-UP

1шт.

23

07000-63040

O-RING (K2)

SN: 11397-UP

1шт.

24

01010-31025

BOLT

SN: 11397-UP

1шт.

24A

01643-31032

WASHER

SN: 16337-UP

1шт.

25

6210-51-6322

BRACKET

SN: 17235-UP

1шт.

|25

0

BRACKET

SN: 11983-17234

1шт.

26

01010-31030

BOLT

SN: 16337-UP

1шт.

|26

01010-31025

BOLT

SN: 11983-16336

1шт.

27

6131-12-5920

SPACER

SN: 16337-UP

1шт.

|27

01643-31032

WASHER

SN: 11983-16336

1шт.

28

01010-31025

BOLT

SN: 16337-UP

1шт.

|28

01010-31020

BOLT

SN: 11983-16336

1шт.

29

01580-01008

NUT

SN: 11397-UP

1шт.

30

01643-31032

WASHER

SN: 16337-UP

2шт.

|30

01640-21016

WASHER

SN: 11397-16336

2шт.

Выбрано товаров: 41