Запчасти Komatsu SA6D140-1LL MARINE ПРИВОД КРЕПЛЕНИЕ (MGA8DL-9) ДВИГАТЕЛЬ

Схема запчастей Komatsu SA6D140-1LL - MARINE ПРИВОД КРЕПЛЕНИЕ (MGA8DL-9) ДВИГАТЕЛЬ
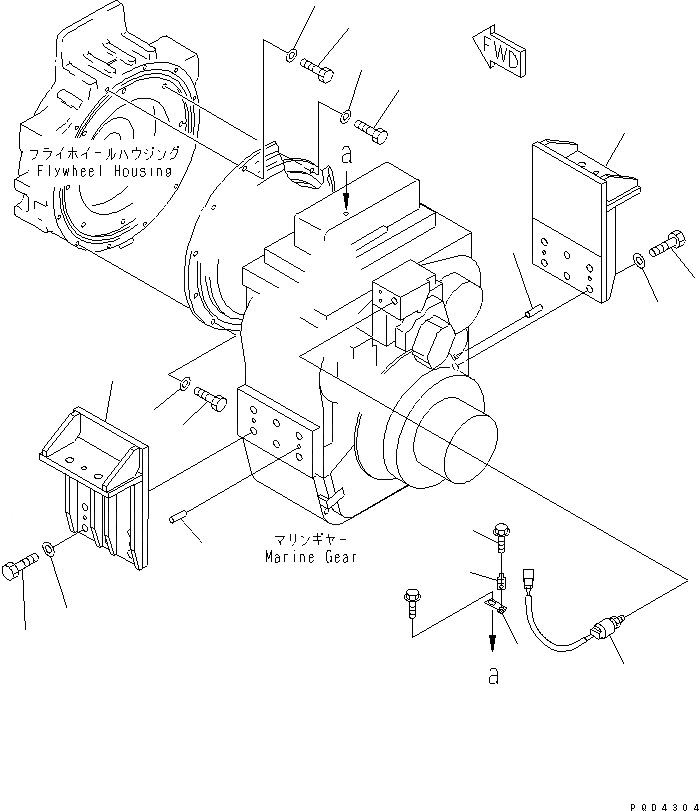
1
2
3
4
5
5
6
6
7
7
8
8
9
9
10
11
12
13
FIT
1:1
100%

Артикул

Название

Примечание

Количество

1

01010-81235

BOLT

SN: 10001-UP

8шт.

2

01643-31232

WASHER

SN: 10001-UP

8шт.

3

01010-81235

BOLT

SN: 10001-UP

10шт.

4

01010-81235

BOLT

SN: 10001-UP

2шт.

5

01643-31232

WASHER

SN: 10001-UP

12шт.

6

6212-85-8620

BRACKET,MARINE GEAR SUPPORT

SN: 10001-UP

2шт.

7

04020-01228

PIN,DOWEL

SN: 10001-UP

4шт.

8

01010-82055

BOLT

SN: 10001-UP

8шт.

9

01643-32060

WASHER

SN: 10001-UP

8шт.

10

7700-85-1570

SWITCH,MARINE GEAR OIL PRESSURE

SN: 10001-UP

1шт.

11

08053-01510

CLIP

SN: 10001-UP

1шт.

12

7700-18-3980

STAY

SN: 10001-UP

1шт.

13

01435-01016

BOLT

SN: 10001-UP

1шт.

Выбрано товаров: 0