Запчасти Komatsu SA6D140-1LL MARINE КРЕПЛЕНИЕ ДВИГАТЕЛЯ ДВИГАТЕЛЬ

Схема запчастей Komatsu SA6D140-1LL - MARINE КРЕПЛЕНИЕ ДВИГАТЕЛЯ ДВИГАТЕЛЬ
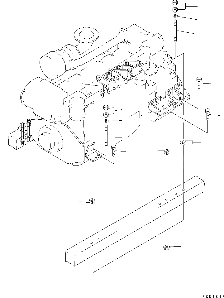
1
1
1
1
2
2
3
3
4
5
5
5
6
6
6
FIT
1:1
100%

Артикул

Название

Примечание

Количество

1

7700-65-2121

STUD

SN: 10045-UP

12шт.

|1

0

STUD

SN: 10001-10044

12шт.

2

01580-11815

NUT

SN: 10001-UP

24шт.

3

01643-21845

WASHER

SN: 10001-UP

12шт.

4

7700-65-2130

WASHER

SN: 10001-UP

12шт.

5

7700-65-2400

SHIM ASS'Y

SN: 10001-UP

6шт.

|5

7700-65-2410

SHIM¤ 0.1MM

SN: 10001-UP

4шт.

|5

7700-65-2420

SHIM¤ 0.2MM

SN: 10001-UP

4шт.

|5

7700-65-2430

SHIM¤ 0.5MM

SN: 10001-UP

2шт.

|5

7700-65-2440

SHIM¤ 1.0MM

SN: 10001-UP

2шт.

6

7700-65-1860

BOLT,JACK

SN: 10001-UP

6шт.

Выбрано товаров: 0