Запчасти Komatsu SA6D140-1LL ВЫПУСКНОЙ КОЛЛЕКТОР И ВОДН. ГИДРОЛИНИЯ ДВИГАТЕЛЬ

Схема запчастей Komatsu SA6D140-1LL - ВЫПУСКНОЙ КОЛЛЕКТОР И ВОДН. ГИДРОЛИНИЯ ДВИГАТЕЛЬ
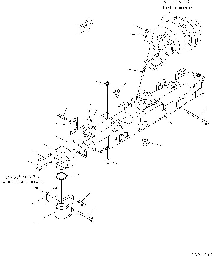
1
2
2
3
4
5
6
7
8
9
10
11
12
13
14
15
16
17
18
19
20
21
FIT
1:1
100%

Артикул

Название

Примечание

Количество

|1

6212-16-5102

MANIFOLD ASS'Y,EXHAUST

SN: 10074-UP

1шт.

|1

0

MANIFOLD ASS'Y,EXHAUST

SN: 10047-10073

1шт.

|1

0

MANIFOLD ASS'Y,EXHAUST

SN: 10001-10046

1шт.

1

6212-16-5122

MANIFOLD

SN: 10074-UP

1шт.

|1

0

MANIFOLD

SN: 10047-10073

1шт.

|1

0

MANIFOLD

SN: 10001-10046

1шт.

2

07043-51222

PLUG

SN: 10001-UP

10шт.

3

6151-15-5970

PLUG

SN: 10001-UP

6шт.

4

07042-00415

PLUG

SN: 10001-UP

1шт.

5

6212-15-5420

STUD

SN: 10001-UP

4шт.

6

6114-11-5590

NUT

SN: 10001-UP

4шт.

7

01643-51032

WASHER

SN: 10001-UP

4шт.

8

6210-11-5881

GASKET (K1)

SN: 10001-UP

6шт.

9

01140-61035

STUD

SN: 10001-UP

12шт.

10

6164-61-7170

BOLT

SN: 10001-UP

12шт.

11

6212-15-5410

NUT

SN: 10001-UP

12шт.

12

01643-51032

WASHER

SN: 10001-UP

12шт.

13

6212-66-6140

CONNECTOR

SN: 10001-UP

1шт.

14

6212-66-6150

CONNECTOR

SN: 10001-UP

1шт.

15

6210-21-1971

GASKET

SN: 10001-UP

1шт.

16

6212-15-5231

GASKET (K1)

SN: 10001-UP

1шт.

17

01436-01000

BOLT

SN: 10001-UP

2шт.

18

01435-01035

BOLT

SN: 10001-UP

2шт.

19

01435-01080

BOLT

SN: 10001-UP

3шт.

20

01435-01070

BOLT

SN: 10001-UP

3шт.

21

6934-61-6220

O-RING

SN: 10001-UP

1шт.

Выбрано товаров: 0