Запчасти Komatsu SA6D140-1LL ПАНЕЛЬ ПРИБОРОВ (/)(№-7) ДВИГАТЕЛЬ

Схема запчастей Komatsu SA6D140-1LL - ПАНЕЛЬ ПРИБОРОВ (/)(№-7) ДВИГАТЕЛЬ
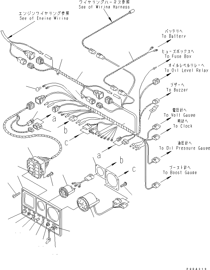
1
2
3
4
5
6
7
8
9
10
11
12
13
14
15
16
17
18
19
20
21
22
23
24
25
26
FIT
1:1
100%

Артикул

Название

Примечание

Количество

|1

7700-85-9600

MONITOR PANEL ASS'Y

SN: 10001-10037

1шт.

|1

7700-86-4800

PANEL ASS'Y

SN: 10001-10037

1шт.

1

7700-82-2130

PANEL

SN: 10001-@

1шт.

2

7700-85-9260

GAUGE,TACHOMETER AND SERVICE METER

SN: 10001-10037

1шт.

3

7700-85-8340

GAUGE,ENGINE WATER TEMPERATURE

SN: 10001-@

1шт.

4

7700-82-2140

PLATE

SN: 10001-@

1шт.

5

7700-85-8560

MONITOR ASS'Y,ALARM

SN: 10001-@

1шт.

6

7700-82-2170

DIODE ASS'Y

SN: 10001-@

1шт.

7

7700-85-8370

DIODE ASS'Y

SN: 10001-@

1шт.

8

01370-00410

SCREW

SN: 10001-@

7шт.

9

01370-00408

SCREW

SN: 10001-@

4шт.

10

7700-82-2150

SWITCH,KEY

SN: 10001-@

1шт.

11

600-815-6160

SIGNAL,HEATER

SN: 10001-@

1шт.

12

09415-00706

CAP

SN: 10001-@

1шт.

13

7700-82-2390

SWITCH,LIGHT

SN: 10001-@

1шт.

14

7700-85-8350

SWITCH,BUZZER TEST

SN: 10001-@

1шт.

15

7700-82-2450

FUSE BOX ASS'Y

SN: 10001-@

1шт.

16

08064-10000

SWITCH,ENGINE STOP

SN: 10001-@

1шт.

17

7700-85-8490

PLATE,KEY POSITION

SN: 10001-@

1шт.

18

7700-85-9620

WIRE ASS'Y

SN: 10001-@

1шт.

19

7700-85-8380

WIRE,BATTERY

SN: 10001-@

1шт.

20

7700-83-1911

PLATE

SN: 10001-10037

1шт.

21

7700-85-3560

SCREW

SN: 10001-@

4шт.

22

7700-85-8120

WIRING HARNESS

SN: 10001-@

1шт.

23

08036-11210

CLIP

SN: 10001-@

3шт.

24

08036-01814

CLIP

SN: 10001-@

8шт.

25

08038-04030

CAP

SN: 10001-@

5шт.

26

08053-00912

CLIP

SN: 10001-@

1шт.

Выбрано товаров: 0