Качественные детали и логистика
Оригинальные и аналоговые запчасти с доставкой по России, Казахстану и Беларуси
©2022 PartSell ООО "Система" ИНН 2463123282 ОГРН 1212400004838
Центральный офис: г. Красноярск, Академика Киренского, д.87, пом.4
Телефон: 8 (800) 777-65-74 Email: zakaz@partsell.ru
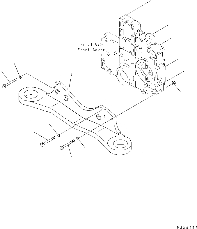
КРЕПЛЕНИЕ ДВИГАТЕЛЯ(№779-)
№
Артикул
Название
Примечание
Количество
1
209-01-51160
BRACKET
SN: 17739-UP
1шт.
2
6210-21-3940
BOLT
2шт.
3
01011-81240
5шт.
4
01580-11210
NUT
5
01643-21223
WASHER
7шт.
Выбрано товаров: 0