Запчасти Komatsu SA6D140-1N-G ВОЗДУХООЧИСТИТЕЛЬ(№987-) ДВИГАТЕЛЬ

Схема запчастей Komatsu SA6D140-1N-G - ВОЗДУХООЧИСТИТЕЛЬ(№987-) ДВИГАТЕЛЬ
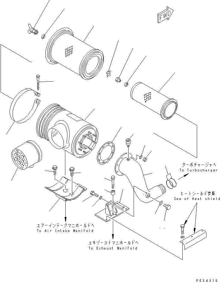
1
2
3
4
5
6
7
8
9
10
11
12
13
14
15
16
17
18
19
20
21
22
23
24
25
26
27
FIT
1:1
100%

Артикул

Название

Примечание

Количество

|$1

6211-81-5210

AIR CLEANER ASS'Y

SN: 19807-UP

1шт.

1

6211-81-5220

BODY

SN: 19807-UP

1шт.

|$3

6128-81-7042

ELEMENT ASS'Y

SN: 19807-UP

1шт.

2

0

ELEMENT,INNER

SN: 19807-UP

1шт.

3

600-181-4370

NUT,WING

SN: 19807-UP

1шт.

4

600-181-7511

WASHER,SEAL

SN: 19807-UP

1шт.

|$7

600-181-4400

ELEMENT ASS'Y,OUTER

SN: 19807-UP

1шт.

5

0

ELEMENT,OUTER

SN: 19807-UP

1шт.

6

600-181-4420

NUT,WING

SN: 19807-UP

1шт.

7

600-181-4440

GASKET

SN: 19807-UP

1шт.

8

600-181-4430

CLIP

SN: 19807-UP

1шт.

9

6127-11-4360

BAND ASS'Y

SN: 19807-UP

1шт.

9

6691-21-6550

PIN

SN: 19807-UP

1шт.

9

6691-21-6560

PIN, WITH THREAD

SN: 19807-UP

1шт.

10

6643-11-4641

BOLT

SN: 19807-UP

1шт.

11

600-181-5710

PRE-CLEANER ASS'Y

SN: 19807-UP

1шт.

12

6127-81-4823

GASKET (K1)

SN: 19807-UP

1шт.

13

01580-11008

NUT

SN: 19807-UP

8шт.

14

01640-21016

WASHER

SN: 19807-UP

8шт.

15

6211-11-4340

CONNECTOR,AIR

SN: 19807-UP

1шт.

16

560-60-12471

PLUG

SN: 19807-UP

1шт.

17

07005-02416

SEAL, WASHER (K1)

SN: 19807-UP

1шт.

18

02895-67081

O-RING (K1)

SN: 19807-UP

2шт.

19

6211-11-4910

BRACKET

SN: 19807-UP

1шт.

20

01010-81025

BOLT

SN: 19807-UP

2шт.

21

01643-31032

WASHER

SN: 19807-UP

2шт.

22

01010-81040

BOLT

SN: 19807-UP

4шт.

23

6631-11-5630

SPACER

SN: 19807-UP

4шт.

24

6212-11-4550

BRACKET

SN: 19807-UP

1шт.

25

01435-01025

BOLT

SN: 19807-UP

3шт.

26

01435-01030

BOLT

SN: 19807-UP

1шт.

27

08670-02001

INDICATOR,DUST

SN: 19807-UP

1шт.

Выбрано товаров: 32