Запчасти Komatsu SA6D140-1N ТОПЛ. НАСОС (НАСОС) (/) (ВНУТР. ЧАСТИ)(№987-) ДВИГАТЕЛЬ

Схема запчастей Komatsu SA6D140-1N - ТОПЛ. НАСОС (НАСОС) (/) (ВНУТР. ЧАСТИ)(№987-) ДВИГАТЕЛЬ
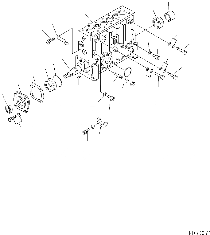
1
2
3
4
5
6
7
8
9
10
11
12
13
14
15
16
16
17
18
18
18
19
20
21
22
23
24
FIT
1:1
100%

Артикул

Название

Примечание

Количество

|1

6212-71-1424

INJECTION PUMP A.

SN: 19807-UP

1шт.

|$$2

THIS ASSEMBLY CONSISTS OF ALL PARTS SHOWN IN FIGS.A4010-B4B3 TO A4010-G4B3.

-1шт.

|1

ND190100-0230

BODY ASS'Y

SN: 19807-UP

1шт.

|$$4

THIS ASSEMBLY CONSISTS OF ALL PARTS SHOWN IN FIGS.A4010-B4B3 AND A4010-C4B3.

-1шт.

1

ND090110-3450

HOUSING SUB ASS'Y

SN: 19807-UP

1шт.

2

ND949043-0010

STUD

SN: 19807-UP

3шт.

3

ND090191-1080

CAMSHAFT

SN: 19807-UP

1шт.

4

ND090361-0140

BEARING,CENTER

SN: 19807-UP

1шт.

5

ND90015-06181

SCREW

SN: 19807-UP

2шт.

6

ND949101-0130

BEARING,ROLLER

SN: 19807-UP

1шт.

7

ND090201-0620

COVER

SN: 19807-UP

1шт.

8

ND949150-2291

SEAL,OIL

SN: 19807-UP

1шт.

9

ND090139-0060

O-RING

SN: 19807-UP

1шт.

10

ND090208-0150

SHIM¤ 0.03MM

SN: 19807-UP

-2шт.

|10

ND090208-0160

SHIM¤ 0.05MM

SN: 19807-UP

-2шт.

|10

ND090208-0170

SHIM¤ 0.07MM

SN: 19807-UP

-2шт.

|10

ND090208-0180

SHIM¤ 0.1MM

SN: 19807-UP

-2шт.

|10

ND090208-0190

SHIM¤ 0.2MM

SN: 19807-UP

-2шт.

|10

ND090208-0200

SHIM¤ 0.3MM

SN: 19807-UP

-2шт.

|10

ND090208-0210

SHIM¤ 0.5MM

SN: 19807-UP

-2шт.

11

ND090433-0010

RETAINER

SN: 19807-UP

1шт.

12

ND91518-06201

BOLT

SN: 19807-UP

4шт.

13

ND090317-0070

PLUG

SN: 19807-UP

1шт.

14

ND090317-0060

PLUG

SN: 19807-UP

6шт.

15

ND949101-0170

BEARING,ROLLER

SN: 19807-UP

1шт.

16

ND949180-0310

SCREW

SN: 19807-UP

2шт.

17

ND090310-0210

VALVE ASS'Y,OVER FLOW

SN: 19807-UP

1шт.

18

ND090222-0070

WASHER

SN: 19807-UP

6шт.

19

ND949047-1790

BOLT

SN: 19807-UP

2шт.

20

ND949140-0380

O-RING

SN: 19807-UP

1шт.

21

ND949018-0710

WASHER¤ 2MM

SN: 19807-UP

1шт.

22

ND949018-1500

WASHER¤ 1MM

SN: 19807-UP

6шт.

23

ND090118-0270

NEEDLE,TIMING

SN: 19807-UP

1шт.

24

ND90458-05750

KEY

SN: 19807-UP

1шт.

Выбрано товаров: 34