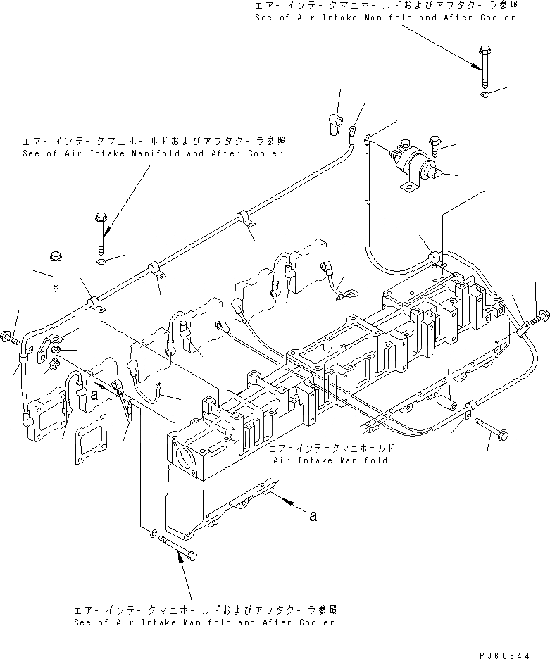
Запчасти Komatsu SA6D140-2A-G ВЫКЛЮЧАТЕЛЬ ПОДОГРЕВАТЕЛЯ ЭЛЕКТРОПРОВОДКА(№897-) ДВИГАТЕЛЬ

Схема запчастей Komatsu SA6D140-2A-G - ВЫКЛЮЧАТЕЛЬ ПОДОГРЕВАТЕЛЯ ЭЛЕКТРОПРОВОДКА(№897-) ДВИГАТЕЛЬ
1
2
3
3
3
4
4
4
5
6
7
8
8
8
9
10
10
11
12
13
14
15
16
17
17
18
19
20
FIT
1:1
100%

Артикул

Название

Примечание

Количество

1

600-815-2690

SWITCH,HEATER

SN: 28697-UP

1шт.

2

01435-00812

BOLT

SN: 28697-UP

2шт.

3

6212-81-4211

WIRE

SN: 28697-UP

3шт.

4

23S-06-11161

WIRE

SN: 28697-UP

3шт.

5

6212-82-4240

WIRE

SN: 28697-UP

1шт.

6

6212-82-4210

WIRE

SN: 28697-UP

1шт.

7

04434-51008

CLIP

SN: 28697-UP

1шт.

8

04434-50808

CLIP

SN: 28697-UP

3шт.

9

08038-06031

CAP

SN: 28697-UP

1шт.

10

01640-20816

WASHER

SN: 28697-UP

4шт.

11

6212-82-4230

STAY

SN: 28697-UP

1шт.

12

209-62-11810

SPACER

SN: 28697-UP

1шт.

13

01436-01005

BOLT

SN: 28697-UP

1шт.

14

04434-50810

CLIP

SN: 28697-UP

1шт.

15

01435-01016

BOLT

SN: 28697-UP

1шт.

16

01584-01008

NUT

SN: 28697-UP

1шт.

17

04434-51010

CLIP

SN: 28697-UP

2шт.

18

6143-11-4290

SPACER

SN: 28697-UP

1шт.

19

01435-01060

BOLT

SN: 28697-UP

1шт.

20

01435-01016

BOLT

SN: 28697-UP

1шт.

Выбрано товаров: 0