Запчасти Komatsu SA6D140-2B-G ТУРБОНАГНЕТАТЕЛЬ ВОДН. ГИДРОЛИНИЯ(№9-) ДВИГАТЕЛЬ

Схема запчастей Komatsu SA6D140-2B-G - ТУРБОНАГНЕТАТЕЛЬ ВОДН. ГИДРОЛИНИЯ(№9-) ДВИГАТЕЛЬ
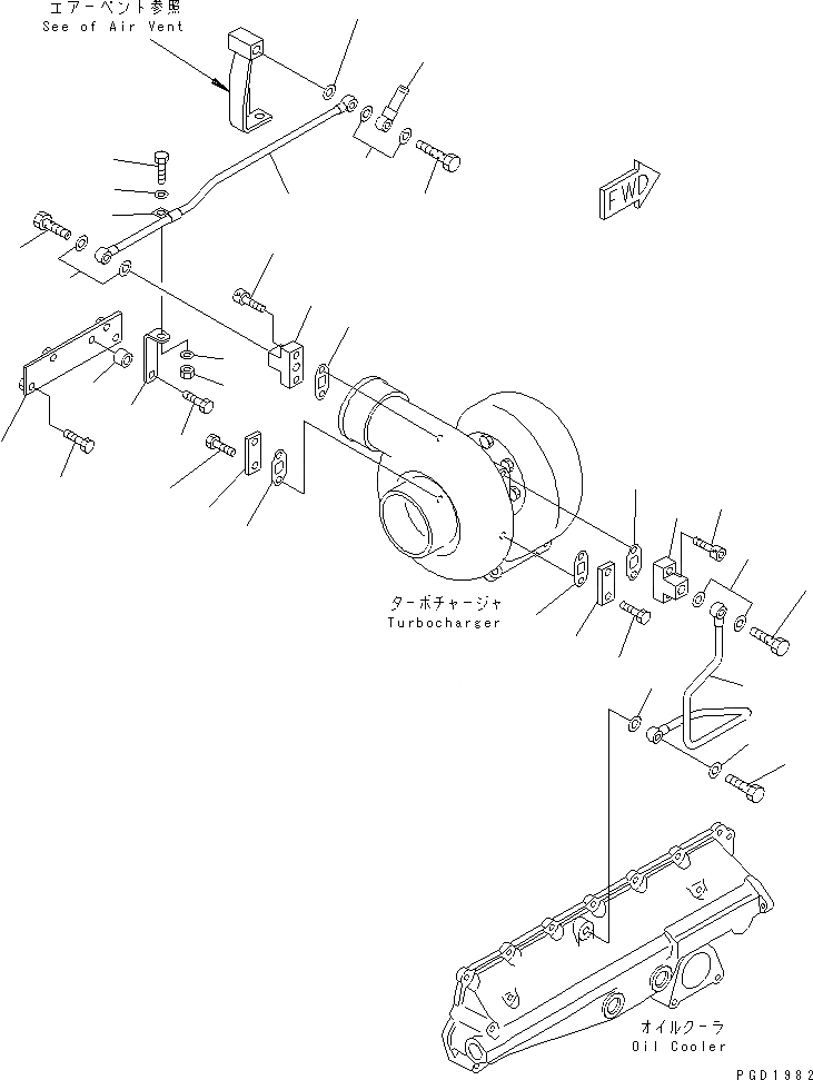
1
1
2
2
3
3
4
4
4
4
5
5
6
7
7
8
8
8
9
10
11
12
13
13
14
15
16
17
18
19
19
20
21
22
23
FIT
1:1
100%

Артикул

Название

Примечание

Количество

1

6162-63-8570

JOINT

SN: 23933-UP

2шт.

2

01252-31035

BOLT

SN: 23933-UP

4шт.

3

6164-62-8230

PLATE

SN: 23933-UP

2шт.

4

6164-62-8241

GASKET

SN: 23933-UP

4шт.

5

01010-81025

BOLT

SN: 23933-UP

4шт.

6

6212-62-8311

TUBE

SN: 27580-UP

1шт.

|6

0

TUBE

SN: 23933-27579

1шт.

7

07206-31014

BOLT,JOINT

SN: 23933-UP

2шт.

8

07005-01412

GASKET

SN: 23933-UP

4шт.

9

6212-62-8320

TUBE

SN: 23933-UP

1шт.

10

07206-31014

BOLT,JOINT

SN: 23933-UP

1шт.

11

07005-01412

GASKET

SN: 23933-UP

2шт.

12

6127-71-5710

BOLT,JOINT

SN: 23933-UP

1шт.

13

07005-01412

GASKET

SN: 23933-UP

3шт.

14

01010-81040

BOLT

SN: 23933-UP

1шт.

15

175-79-33240

SPACER

SN: 23933-UP

1шт.

16

6112-53-7170

PLATE

SN: 23933-UP

1шт.

17

6151-53-8280

CLIP

SN: 23933-UP

1шт.

18

01010-81030

BOLT

SN: 23933-UP

1шт.

19

01640-21016

WASHER

SN: 23933-UP

2шт.

20

01580-11008

NUT

SN: 23933-UP

1шт.

21

6141-71-1710

JOINT

SN: 23933-UP

1шт.

22

6212-52-8141

BRACKET

SN: 23933-UP

1шт.

23

01010-81025

BOLT

SN: 23933-UP

2шт.

Выбрано товаров: 24