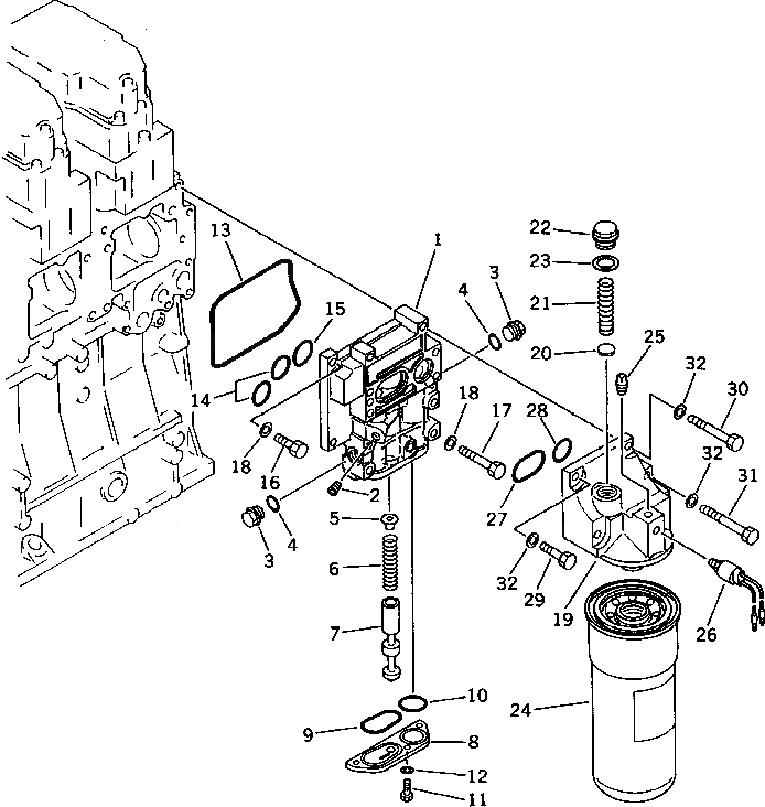
Запчасти Komatsu SA6D140-A-1T МАСЛ. ФИЛЬТР СИСТЕМА СМАЗКИ МАСЛ. СИСТЕМА

Схема запчастей Komatsu SA6D140-A-1T - МАСЛ. ФИЛЬТР СИСТЕМА СМАЗКИ МАСЛ. СИСТЕМА
FIT
1:1
100%

Артикул

Название

Примечание

Количество

|1

6211-51-5500

ADAPTER ASS'Y

SN: 12599-UP

1шт.

1

0

BODY

SN: 12599-UP

1шт.

2

07043-00211

PLUG

SN: 12599-UP

1шт.

3

6210-51-5570

PLUG

SN: 12599-UP

2шт.

4

07000-62018

O-RING

SN: 12599-UP

2шт.

5

6210-51-5590

SEAT

SN: 12599-UP

1шт.

6

6210-51-5560

SPRING

SN: 12599-UP

1шт.

7

6210-51-5550

VALVE

SN: 12599-UP

1шт.

8

6211-51-5520

COVER

SN: 12599-UP

1шт.

9

6210-51-5580

O-RING

SN: 12599-UP

1шт.

10

07000-63032

O-RING

SN: 12599-UP

1шт.

11

01010-30816

BOLT

SN: 12599-UP

3шт.

12

01640-20816

WASHER

SN: 12599-UP

3шт.

13

6210-21-6460

O-RING (K2)

SN: 12599-UP

1шт.

14

07000-63028

O-RING (K2)

SN: 12599-UP

2шт.

15

07000-63032

O-RING (K2)

SN: 12599-UP

1шт.

16

01010-51030

BOLT

SN: 12599-UP

2шт.

17

01010-51060

BOLT

SN: 12599-UP

5шт.

18

01640-01016

WASHER

SN: 12599-UP

7шт.

|19

6211-51-5400

OIL FILTER ASS'Y

SN: 12599-UP

1шт.

19

6211-51-5410

BRACKET

SN: 12599-UP

1шт.

20

6162-53-5450

PACKING

SN: 12599-UP

1шт.

21

600-211-1870

SPRING

SN: 12599-UP

1шт.

22

6162-53-5420

CAP

SN: 12599-UP

1шт.

23

6162-53-5430

PACKING

SN: 12599-UP

1шт.

24

600-211-1230

CARTRIDGE

SN: 12599-UP

1шт.

25

07042-00108

PLUG

SN: 12599-UP

1шт.

26

600-815-1940

SWITCH,PRESSURE

SN: 12599-UP

1шт.

27

07000-63048

O-RING (K2)

SN: 12599-UP

1шт.

28

07000-63032

O-RING (K2)

SN: 12599-UP

1шт.

29

01010-51030

BOLT

SN: 12599-UP

1шт.

30

01010-51075

BOLT

SN: 12599-UP

3шт.

31

01010-51085

BOLT

SN: 12599-UP

1шт.

32

01640-21016

WASHER

SN: 12599-UP

5шт.

Выбрано товаров: 0