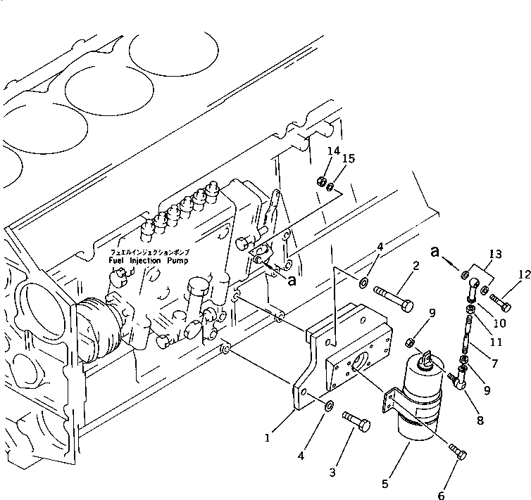
Запчасти Komatsu SA6D140-A-1U СОЛЕНОИД И КРЕПЛЕНИЕ ТОПЛИВН. СИСТЕМА

Схема запчастей Komatsu SA6D140-A-1U - СОЛЕНОИД И КРЕПЛЕНИЕ ТОПЛИВН. СИСТЕМА
FIT
1:1
100%

Артикул

Название

Примечание

Количество

1

6212-71-8211

BRACKET

SN: 12599-UP

1шт.

2

01010-31055

BOLT

SN: 12599-UP

2шт.

3

01010-31030

BOLT

SN: 12599-UP

2шт.

4

01643-01032

WASHER

SN: 12599-UP

4шт.

5

69902-0-0460

SOLENOID ASS'Y

SN: 12599-UP

1шт.

6

01010-30612

BOLT

SN: 12599-UP

4шт.

7

04248-50613

ROD

SN: 12599-UP

1шт.

8

6127-82-9230

END,ROD

SN: 12599-UP

1шт.

9

01580-10605

NUT

SN: 12599-UP

2шт.

10

04250-60639

END,ROD¤ L.H. THREAD

SN: 12599-UP

1шт.

11

01508-20603

NUT,L.H. THREAD

SN: 12599-UP

1шт.

12

01010-50625

BOLT

SN: 12599-UP

1шт.

13

04254-00623

SPACER

SN: 12599-UP

2шт.

14

01580-10605

NUT

SN: 12599-UP

1шт.

15

01641-00608

WASHER

SN: 12599-UP

1шт.

Выбрано товаров: 15