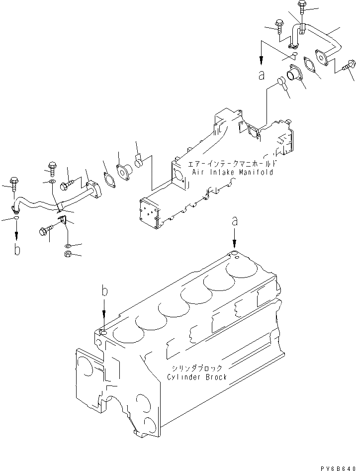
Запчасти Komatsu SA6D140E-3B-7 ПОСЛЕОХЛАДИТЕЛЬ ВОДН. ГИДРОЛИНИЯ(№7-) ДВИГАТЕЛЬ
1
2
3
4
5
6
7
8
9
10
11
12
13
14
15
16
17
18
19
20
21
22
22
FIT
1:1
100%
№
Артикул
Название
Примечание
Количество
Выбрано товаров: 0