Запчасти Komatsu SA6D140E-3B ЭЛЕКТРОПРОВОДКА (/) ДАТЧИК ДВИГАТЕЛЬ

Схема запчастей Komatsu SA6D140E-3B - ЭЛЕКТРОПРОВОДКА (/) ДАТЧИК ДВИГАТЕЛЬ
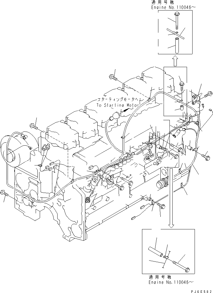
1
1
1
2
2
3
4
5
6
7
8
9
10
10
11
11
11
11
11
12
13
14
15
15
15
15
16
16
16
16
17
18
19
19
19
20
20
21
22
22
23
24
25
25
25
FIT
1:1
100%

Артикул

Название

Примечание

Количество

1

6217-81-8202

WIRING HARNESS

SN: 110001-UP

1шт.

2

04434-52110

CLIP

SN: 110001-UP

2шт.

3

144-874-7470

BOSS

SN: 110001-UP

2шт.

4

01435-01035

BOLT

SN: 110001-UP

2шт.

5

6127-81-4460

BRACKET

SN: 110001-UP

2шт.

6

6162-73-6170

STAY

SN: 110001-UP

1шт.

7

01436-01075

BOLT

SN: 110001-UP

1шт.

8

01436-01085

BOLT

SN: 110001-UP

1шт.

9

04434-51210

CLIP

SN: 110001-UP

1шт.

10

04434-51010

CLIP

SN: 110001-UP

2шт.

11

04434-50810

CLIP

SN: 110001-UP

4шт.

12

01435-00814

BOLT

SN: 110001-UP

2шт.

13

01435-01020

BOLT

SN: 110001-UP

1шт.

14

01584-01008

NUT

SN: 110001-UP

1шт.

15

01436-01020

BOLT

SN: 110046-UP

2шт.

|15

0

BOLT

SN: 110001-110045

2шт.

16

6206-81-9870

SPACER

SN: 110046-UP

2шт.

|16

0

BOSS

SN: 110001-110045

2шт.

17

01435-01025

BOLT

SN: 110001-UP

2шт.

18

419-15-17540

SPACER

SN: 110001-UP

2шт.

19

04434-51910

CLIP

SN: 110001-UP

2шт.

20

04434-51410

CLIP

SN: 110001-UP

2шт.

21

04434-51212

CLIP

SN: 110001-UP

1шт.

22

01435-01016

BOLT

SN: 110001-UP

2шт.

23

6131-12-5920

SPACER

SN: 110001-UP

1шт.

24

01435-01220

BOLT

SN: 110001-UP

1шт.

25

08034-20519

BAND

SN: 110001-UP

-2шт.

Выбрано товаров: 27