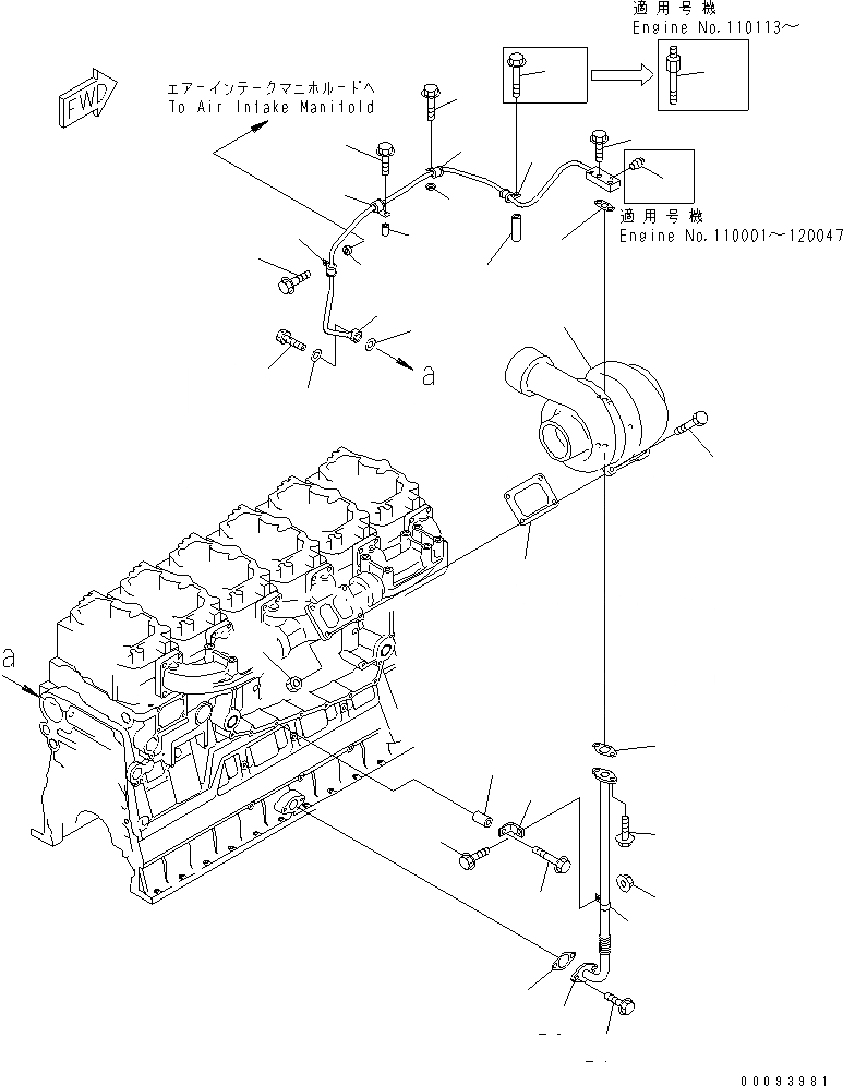
Запчасти Komatsu SA6D140E-3E-7 ТУРБОНАГНЕТАТЕЛЬ И МАСЛОПРОВОДЯЩАЯ ЛИНИЯ ДВИГАТЕЛЬ

Схема запчастей Komatsu SA6D140E-3E-7 - ТУРБОНАГНЕТАТЕЛЬ И МАСЛОПРОВОДЯЩАЯ ЛИНИЯ ДВИГАТЕЛЬ
1
2
3
4
5
6
7
7
8
9
10
11
12
13
14
15
16
17
18
19
20
21
22
22
23
24
25
26
27
28
29
30
31
32
33
1
2
3
4
5
6
7
7
8
9
10
11
12
13
14
15
16
17
18
19
20
21
22
22
23
24
25
26
27
28
29
30
31
32
33
FIT
1:1
100%

Артикул

Название

Примечание

Количество

1

6505-65-5020

TURBOCHARGER ASS'Y,(SEE FIG. A1530-B4F8)

SN: 110001-UP

1шт.

2

6218-11-5830

GASKET (K1)

SN: 110001-UP

1шт.

3

6138-13-4510

BOLT

SN: 110001-UP

4шт.

4

6114-11-5590

NUT

SN: 110001-UP

4шт.

5

6217-51-8161

TUBE,SUPPLY

SN: 110001-UP

1шт.

6

07206-31014

BOLT,JOINT

SN: 110001-UP

1шт.

7

07005-01412

SEAL, WASHER (K1)

SN: 110001-UP

2шт.

8

07042-00108

PLUG

SN: 110001-120047

1шт.

9

6151-51-8161

GASKET (K1)

SN: 110001-UP

1шт.

10

01435-01035

BOLT

SN: 110001-UP

2шт.

11

6215-71-4940

CLAMP

SN: 110001-UP

1шт.

12

01435-01025

BOLT

SN: 110001-UP

1шт.

13

21T-72-14930

BOSS

SN: 110001-UP

1шт.

14

6215-71-4930

CLAMP

SN: 110001-UP

1шт.

15

195-979-3510

COLLAR

SN: 110001-UP

1шт.

16

01435-00835

BOLT

SN: 110001-UP

1шт.

17

6215-71-4940

CLAMP

SN: 110001-UP

1шт.

18

6136-11-2980

SPACER

SN: 110001-UP

1шт.

19

01435-01050

BOLT

SN: 110001-UP

1шт.

20

6215-71-4940

CLAMP

SN: 110001-UP

1шт.

21

6136-11-5120

SPACER

SN: 110001-UP

1шт.

22

6217-11-9810

BOLT

SN: 110113-UP

1шт.

22

01435-01085

BOLT

SN: 110001-110112

1шт.

23

6217-51-8110

TUBE,DRAIN

SN: 110001-UP

1шт.

24

6151-51-8151

GASKET (K1)

SN: 110001-UP

1шт.

25

01435-01025

BOLT

SN: 110001-UP

2шт.

26

6127-51-6822

GASKET (K1)

SN: 110001-UP

1шт.

27

01435-01020

BOLT

SN: 110001-UP

2шт.

28

6217-51-8150

BRACKET

SN: 110001-UP

1шт.

29

6150-81-6920

SPACER

SN: 110001-UP

1шт.

30

01435-01070

BOLT

SN: 110001-UP

1шт.

31

04434-51910

CLIP

SN: 110001-UP

1шт.

32

01584-01008

NUT

SN: 110001-UP

1шт.

33

01435-01020

BOLT

SN: 110001-UP

1шт.

1

6505-65-5020

TURBOCHARGER ASS'Y,(SEE FIG. A1530-B4F8)

SN: 110001-UP

1шт.

2

6218-11-5830

GASKET (K1)

SN: 110001-UP

1шт.

3

6138-13-4510

BOLT

SN: 110001-UP

4шт.

4

6114-11-5590

NUT

SN: 110001-UP

4шт.

5

6217-51-8161

TUBE,SUPPLY

SN: 110001-UP

1шт.

6

07206-31014

BOLT,JOINT

SN: 110001-UP

1шт.

7

07005-01412

SEAL, WASHER (K1)

SN: 110001-UP

2шт.

8

07042-00108

PLUG

SN: 110001-120047

1шт.

9

6151-51-8161

GASKET (K1)

SN: 110001-UP

1шт.

10

01435-01035

BOLT

SN: 110001-UP

2шт.

11

6215-71-4940

CLAMP

SN: 110001-UP

1шт.

12

01435-01025

BOLT

SN: 110001-UP

1шт.

13

21T-72-14930

BOSS

SN: 110001-UP

1шт.

14

6215-71-4930

CLAMP

SN: 110001-UP

1шт.

15

195-979-3510

COLLAR

SN: 110001-UP

1шт.

16

01435-00835

BOLT

SN: 110001-UP

1шт.

17

6215-71-4940

CLAMP

SN: 110001-UP

1шт.

18

6136-11-2980

SPACER

SN: 110001-UP

1шт.

19

01435-01050

BOLT

SN: 110001-UP

1шт.

20

6215-71-4940

CLAMP

SN: 110001-UP

1шт.

21

6136-11-5120

SPACER

SN: 110001-UP

1шт.

22

6217-11-9810

BOLT

SN: 110113-UP

1шт.

22

01435-01085

BOLT

SN: 110001-110112

1шт.

23

6217-51-8110

TUBE,DRAIN

SN: 110001-UP

1шт.

24

6151-51-8151

GASKET (K1)

SN: 110001-UP

1шт.

25

01435-01025

BOLT

SN: 110001-UP

2шт.

26

6127-51-6822

GASKET (K1)

SN: 110001-UP

1шт.

27

01435-01020

BOLT

SN: 110001-UP

2шт.

28

6217-51-8150

BRACKET

SN: 110001-UP

1шт.

29

6150-81-6920

SPACER

SN: 110001-UP

1шт.

30

01435-01070

BOLT

SN: 110001-UP

1шт.

31

04434-51910

CLIP

SN: 110001-UP

1шт.

32

01584-01008

NUT

SN: 110001-UP

1шт.

33

01435-01020

BOLT

SN: 110001-UP

1шт.

Выбрано товаров: 68