Запчасти Komatsu SA6D140E-3E-7 ТОПЛИВН. НАСОС ПОДАЮЩ. И ВОЗВРАТ. ТРУБЫ (СПЕЦ-Я ДЛЯ ОЧ. ПЛОХ. ТОПЛИВА)(№97-) ДВИГАТЕЛЬ

Схема запчастей Komatsu SA6D140E-3E-7 - ТОПЛИВН. НАСОС ПОДАЮЩ. И ВОЗВРАТ. ТРУБЫ (СПЕЦ-Я ДЛЯ ОЧ. ПЛОХ. ТОПЛИВА)(№97-) ДВИГАТЕЛЬ
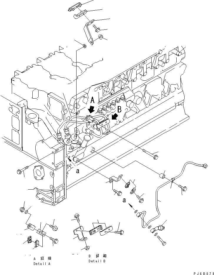
1
1
2
3
4
5
6
7
8
9
10
11
12
13
14
15
16
17
18
19
20
21
22
23
24
25
26
27
28
29
30
31
1
1
2
3
4
5
6
7
8
9
10
11
12
13
14
15
16
17
18
19
20
21
22
23
24
25
26
27
28
29
30
31
FIT
1:1
100%

Артикул

Название

Примечание

Количество

1

6217-71-4121

TUBE,SUPPLY

SN: 116972-UP

2шт.

2

6217-71-5651

BRACKET

SN: 116972-UP

1шт.

3

6110-23-6490

SPACER

SN: 116972-UP

1шт.

4

01436-01010

BOLT

SN: 116972-UP

1шт.

5

01584-01008

NUT

SN: 116972-UP

1шт.

6

6217-71-5171

CLAMP

SN: 119508-UP

1шт.

6

0

CLAMP

SN: 116972-119507

1шт.

7

6217-71-5211

CLAMP

SN: 119508-UP

1шт.

7

0

CLAMP

SN: 116972-119507

1шт.

8

01435-00630

BOLT

SN: 116972-UP

2шт.

9

6217-71-5671

BRACKET

SN: 116972-UP

1шт.

10

6127-11-4421

PLATE

SN: 116972-UP

1шт.

11

01435-01030

BOLT

SN: 116972-UP

1шт.

12

01643-31032

WASHER

SN: 116972-UP

1шт.

13

01584-01008

NUT

SN: 116972-UP

1шт.

14

01436-01075

BOLT

SN: 116972-UP

1шт.

15

6217-71-6640

CLAMP

SN: 116972-UP

1шт.

16

6217-71-6650

CLAMP

SN: 116972-UP

1шт.

17

01435-00630

BOLT

SN: 116972-UP

1шт.

18

6217-71-5281

BRACKET

SN: 116972-UP

1шт.

19

01435-01025

BOLT

SN: 116972-UP

1шт.

20

01584-01008

NUT

SN: 116972-UP

1шт.

21

6217-71-5211

CLAMP

SN: 119508-UP

2шт.

21

0

CLAMP

SN: 116972-119507

2шт.

22

01435-00630

BOLT

SN: 116972-UP

2шт.

23

6217-71-5471

TUBE,RETURN

SN: 116972-UP

1шт.

24

6210-51-8320

CLIP

SN: 116972-UP

1шт.

25

175-79-83760

SPACER

SN: 116972-UP

1шт.

26

01435-01035

BOLT

SN: 116972-UP

1шт.

27

6217-71-5660

BRACKET

SN: 116972-UP

1шт.

28

01435-01020

BOLT

SN: 116972-UP

1шт.

29

6217-71-6650

CLAMP

SN: 116972-UP

2шт.

30

01435-00630

BOLT

SN: 116972-UP

1шт.

31

6217-71-8820

JOINT

SN: 116972-UP

1шт.

1

6217-71-4121

TUBE,SUPPLY

SN: 116972-UP

2шт.

2

6217-71-5651

BRACKET

SN: 116972-UP

1шт.

3

6110-23-6490

SPACER

SN: 116972-UP

1шт.

4

01436-01010

BOLT

SN: 116972-UP

1шт.

5

01584-01008

NUT

SN: 116972-UP

1шт.

6

6217-71-5171

CLAMP

SN: 119508-UP

1шт.

6

0

CLAMP

SN: 116972-119507

1шт.

7

6217-71-5211

CLAMP

SN: 119508-UP

1шт.

7

0

CLAMP

SN: 116972-119507

1шт.

8

01435-00630

BOLT

SN: 116972-UP

2шт.

9

6217-71-5671

BRACKET

SN: 116972-UP

1шт.

10

6127-11-4421

PLATE

SN: 116972-UP

1шт.

11

01435-01030

BOLT

SN: 116972-UP

1шт.

12

01643-31032

WASHER

SN: 116972-UP

1шт.

13

01584-01008

NUT

SN: 116972-UP

1шт.

14

01436-01075

BOLT

SN: 116972-UP

1шт.

15

6217-71-6640

CLAMP

SN: 116972-UP

1шт.

16

6217-71-6650

CLAMP

SN: 116972-UP

1шт.

17

01435-00630

BOLT

SN: 116972-UP

1шт.

18

6217-71-5281

BRACKET

SN: 116972-UP

1шт.

19

01435-01025

BOLT

SN: 116972-UP

1шт.

20

01584-01008

NUT

SN: 116972-UP

1шт.

21

6217-71-5211

CLAMP

SN: 119508-UP

2шт.

21

0

CLAMP

SN: 116972-119507

2шт.

22

01435-00630

BOLT

SN: 116972-UP

2шт.

23

6217-71-5471

TUBE,RETURN

SN: 116972-UP

1шт.

24

6210-51-8320

CLIP

SN: 116972-UP

1шт.

25

175-79-83760

SPACER

SN: 116972-UP

1шт.

26

01435-01035

BOLT

SN: 116972-UP

1шт.

27

6217-71-5660

BRACKET

SN: 116972-UP

1шт.

28

01435-01020

BOLT

SN: 116972-UP

1шт.

29

6217-71-6650

CLAMP

SN: 116972-UP

2шт.

30

01435-00630

BOLT

SN: 116972-UP

1шт.

31

6217-71-8820

JOINT

SN: 116972-UP

1шт.

Выбрано товаров: 68