Запчасти Komatsu SA6D140E-3G-7 ТЕРМОЗАЩИТА (/) ВЫПУСКНОЙ КОЛЛЕКТОР И ТУРБОНАГНЕТАТЕЛЬ(№-) ДВИГАТЕЛЬ

Схема запчастей Komatsu SA6D140E-3G-7 - ТЕРМОЗАЩИТА (/) ВЫПУСКНОЙ КОЛЛЕКТОР И ТУРБОНАГНЕТАТЕЛЬ(№-) ДВИГАТЕЛЬ
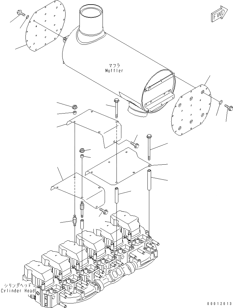
1
2
3
4
5
6
7
8
9
10
11
12
13
13
14
14
15
15
16
16
FIT
1:1
100%

Артикул

Название

Примечание

Количество

1

6217-11-9860

COVER

SN: 111166-UP

1шт.

2

6217-11-9871

COVER

SN: 111166-UP

1шт.

3

6217-11-9881

COVER

SN: 111166-UP

1шт.

4

6217-11-9790

BOLT

SN: 111166-UP

5шт.

5

6691-41-8230

SPACER¤ 10MM

SN: 111166-UP

5шт.

6

01584-00806

NUT

SN: 111166-UP

5шт.

7

6218-11-9820

COLLAR

SN: 111166-UP

1шт.

8

01436-01050

BOLT

SN: 111166-UP

1шт.

9

6217-11-9841

SPACER

SN: 111166-UP

3шт.

10

01436-01015

BOLT

SN: 111166-UP

3шт.

11

01584-01008

NUT

SN: 111166-UP

1шт.

12

6132-21-4630

SPACER

SN: 111166-UP

1шт.

13

01435-01016

BOLT

SN: 111166-UP

2шт.

14

6212-12-5420

COVER

SN: 111166-UP

2шт.

15

01435-00816

BOLT

SN: 111166-UP

24шт.

16

01643-30823

WASHER

SN: 111166-UP

24шт.

Выбрано товаров: 16