Запчасти Komatsu SA6D140E-3G-7 ТЕРМОЗАЩИТА (/) ТОПЛИВН. ЛИНИЯ И ГЛУШИТЕЛЬ(№-) ДВИГАТЕЛЬ

Схема запчастей Komatsu SA6D140E-3G-7 - ТЕРМОЗАЩИТА (/) ТОПЛИВН. ЛИНИЯ И ГЛУШИТЕЛЬ(№-) ДВИГАТЕЛЬ
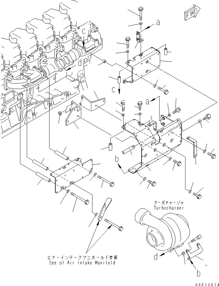
1
2
3
4
5
6
7
8
9
9
10
10
10
10
10
11
11
11
11
11
11
11
11
12
13
14
15
16
17
18
19
20
21
22
23
23
24
25
26
27
28
29
30
31
32
33
FIT
1:1
100%

Артикул

Название

Примечание

Количество

1

6217-11-9550

COVER

SN: 111166-UP

1шт.

2

6217-11-9630

BRACKET

SN: 111166-UP

1шт.

3

6217-11-9640

BRACKET

SN: 111166-UP

1шт.

4

6217-11-9650

BRACKET

SN: 111166-UP

1шт.

5

6217-11-9660

BRACKET

SN: 111166-UP

1шт.

6

6217-11-9610

BRACKET

SN: 111166-UP

1шт.

7

6217-11-9620

BRACKET

SN: 111166-UP

1шт.

8

01643-31032

WASHER

SN: 111166-UP

2шт.

9

01435-01020

BOLT

SN: 111166-UP

5шт.

10

01435-01025

BOLT

SN: 111166-UP

8шт.

11

01643-31032

WASHER

SN: 111166-UP

14шт.

12

01435-01070

BOLT

SN: 111166-UP

1шт.

13

6152-51-5520

SPACER

SN: 111166-UP

1шт.

14

01435-01090

BOLT

SN: 111166-UP

1шт.

15

6161-61-6950

CLAMP

SN: 111166-UP

1шт.

16

01643-31032

WASHER

SN: 111166-UP

1шт.

17

702-25-11870

SPACER

SN: 111166-UP

3шт.

18

6218-11-9581

COVER

SN: 111166-UP

1шт.

19

6217-11-9690

SPACER

SN: 111166-UP

1шт.

20

6218-21-7280

SPACER

SN: 111166-UP

1шт.

21

6152-11-9990

SPACER

SN: 111166-UP

1шт.

22

01436-01060

BOLT

SN: 111166-UP

2шт.

23

01643-31032

WASHER

SN: 111166-UP

2шт.

24

01436-01040

BOLT

SN: 111166-UP

1шт.

25

01643-31032

WASHER

SN: 111166-UP

1шт.

26

6217-11-9560

COVER

SN: 111166-UP

1шт.

27

6631-11-6390

SPACER

SN: 111166-UP

2шт.

28

01435-01080

BOLT

SN: 111166-UP

2шт.

29

01643-31032

WASHER

SN: 111166-UP

2шт.

30

01435-01075

BOLT

SN: 111166-UP

1шт.

31

6161-61-6950

CLAMP

SN: 111166-UP

1шт.

32

01643-31032

WASHER

SN: 111166-UP

1шт.

33

6217-11-9730

BRACKET

SN: 111166-UP

1шт.

Выбрано товаров: 33