Запчасти Komatsu SA6D140E-3G-7 КРЫШКА ТОЛКАТЕЛЕЙ КЛАПАНА ДВИГАТЕЛЬ

Схема запчастей Komatsu SA6D140E-3G-7 - КРЫШКА ТОЛКАТЕЛЕЙ КЛАПАНА ДВИГАТЕЛЬ
1
2
3
4
FIT
1:1
100%

Артикул

Название

Примечание

Количество

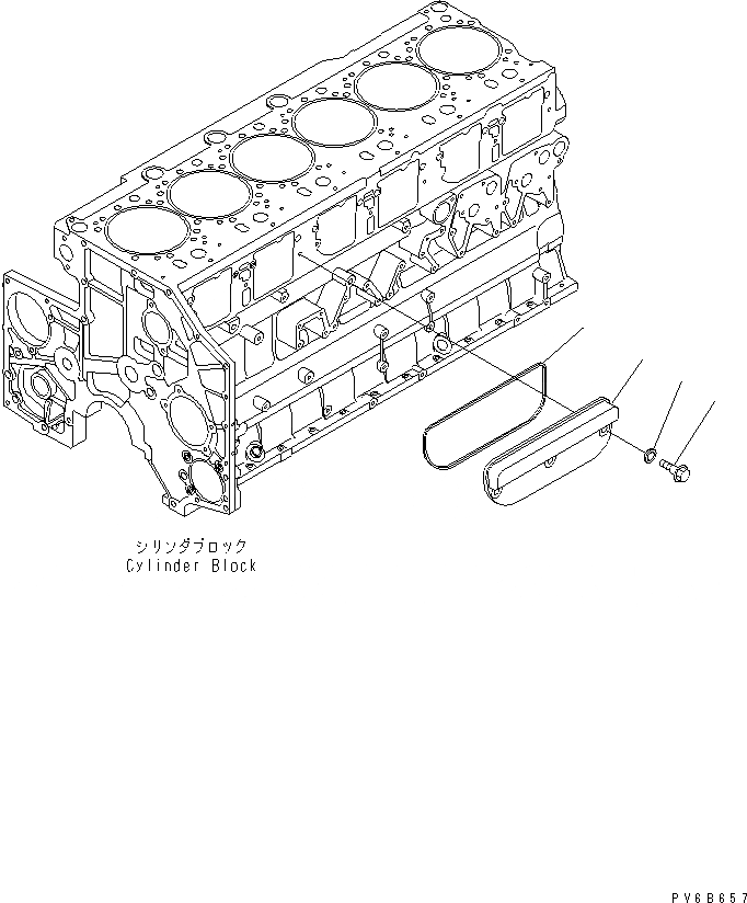
1

6210-21-6410

COVER,CAMFOLLOWER

SN: 110001-UP

3шт.

2

6217-21-6880

O-RING

SN: 110429-UP

3шт.

|2

0

O-RING (K2)

SN: 110001-110428

3шт.

3

6210-21-6471

BOLT

SN: 110001-UP

9шт.

4

6150-21-6391

PACKING (K2)

SN: 110001-UP

9шт.

Выбрано товаров: 5