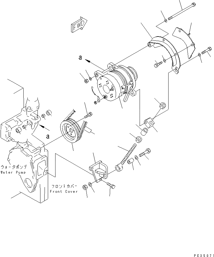
Запчасти Komatsu SA6D140E-3G-7 КРЕПЛЕНИЕ ГЕНЕРАТОРА (A) (ЗАКАЛЕНН. ШКИВ)(№9-) ДВИГАТЕЛЬ

Схема запчастей Komatsu SA6D140E-3G-7 - КРЕПЛЕНИЕ ГЕНЕРАТОРА (A) (ЗАКАЛЕНН. ШКИВ)(№9-) ДВИГАТЕЛЬ
1
2
3
4
4
5
5
6
7
8
9
10
11
12
13
13
14
15
15
16
17
18
19
20
21
22
23
24
25
26
FIT
1:1
100%

Артикул

Название

Примечание

Количество

1

600-825-3111

ALTERNATOR A. (35A),(SEE FIG.A6010-B4J5)

SN: 110495-UP

1шт.

2

6210-81-6490

BOLT

SN: 110495-UP

1шт.

3

01582-01210

NUT

SN: 110495-UP

1шт.

4

01643-31232

WASHER

SN: 110495-UP

2шт.

5

6210-61-6530

PIN

SN: 110495-UP

2шт.

6

6210-81-6750

SPACER

SN: 110495-UP

1шт.

7

6144-85-6550

SPACER

SN: 110495-UP

1шт.

8

6150-82-8610

ROD,ADJUST

SN: 110495-UP

1шт.

9

6150-82-8690

PLATE

SN: 110495-UP

1шт.

10

6215-81-6150

PIN

SN: 110495-UP

1шт.

11

01010-81260

BOLT

SN: 110495-UP

1шт.

12

01580-11210

NUT

SN: 110495-UP

1шт.

13

01640-21223

WASHER

SN: 110495-UP

2шт.

14

6933-51-5150

SPACER

SN: 110495-UP

1шт.

15

01580-11411

NUT

SN: 110495-UP

2шт.

16

6210-82-6570

BRACKET

SN: 110495-UP

1шт.

17

01435-01025

BOLT

SN: 110495-UP

2шт.

18

01050-51260

BOLT

SN: 110495-UP

1шт.

19

01643-31232

WASHER

SN: 110495-UP

1шт.

20

6210-82-6450

COVER

SN: 110495-UP

1шт.

21

6210-81-6361

COVER

SN: 110495-UP

1шт.

22

01050-51020

BOLT

SN: 110495-UP

2шт.

23

01640-21016

WASHER

SN: 110495-UP

2шт.

24

6210-81-6970

V-BELT SET

SN: 110495-UP

1шт.

25

6210-82-6840

PULLEY¤ HARDENING

SN: 110495-UP

1шт.

26

01010-80820

BOLT

SN: 110495-UP

3шт.

Выбрано товаров: 26