Запчасти Komatsu SA6D140E-3G-7 ВОЗДУХООЧИСТИТЕЛЬ(№-7) ДВИГАТЕЛЬ

Схема запчастей Komatsu SA6D140E-3G-7 - ВОЗДУХООЧИСТИТЕЛЬ(№-7) ДВИГАТЕЛЬ
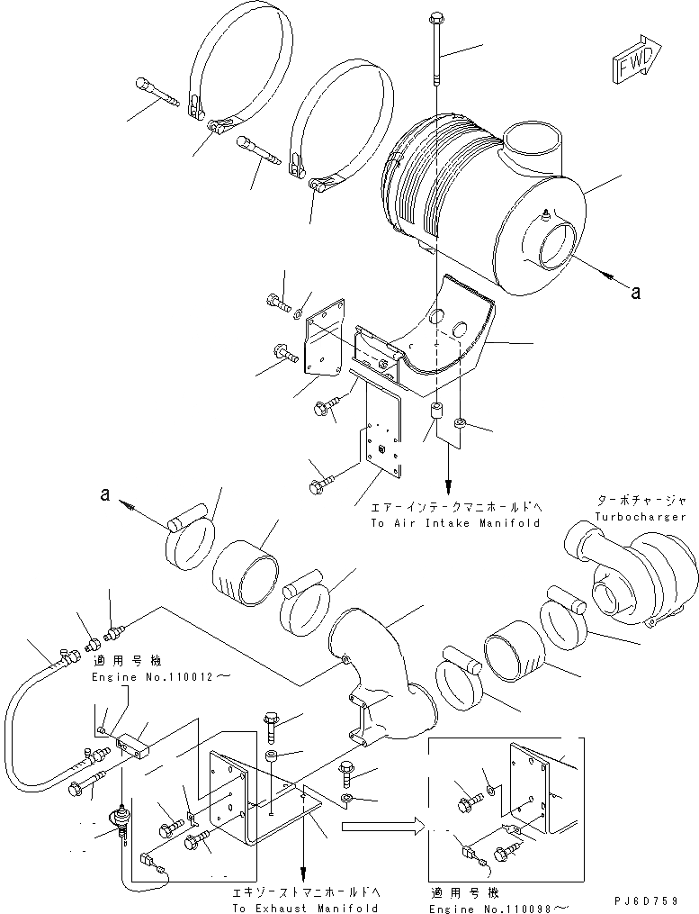
1
2
2
3
3
4
5
6
7
7
8
8
9
9
10
11
12
13
14
15
16
16
17
18
18
19
20
21
22
22
23
23
24
25
26
27
28
29
30
31
32
33
34
35
FIT
1:1
100%

Артикул

Название

Примечание

Количество

1

6217-81-7202

AIR CLEANER ASS'Y,(SEE FIG.A1410-B4H4)

SN: 110001-110670

1шт.

1

0

AIR CLEANER ASS'Y,(SEE FIG.A1410-B4H4)

SN: (110001-110097)

1шт.

2

6240-11-9910

BAND

SN: 110098-110670

2шт.

2

6151-11-9970

BAND ASS'Y

SN: 110001-110097

2шт.

2

6691-21-6550

PIN

SN: 110001-110670

1шт.

2

6691-21-6560

PIN, WITH THREAD

SN: 110001-110670

1шт.

3

6643-11-4641

BOLT

SN: 110001-110670

2шт.

4

6217-11-4340

CONNECTOR

SN: 110001-110670

1шт.

5

6217-11-4460

HOSE

SN: 110001-110670

1шт.

6

6218-11-4320

HOSE

SN: 110001-110670

1шт.

7

07289-00160

CLAMP

SN: 110001-110670

2шт.

8

07289-00170

CLAMP

SN: 110001-110670

2шт.

9

6217-11-4862

BRACKET

SN: 110098-110670

1шт.

9

6217-11-4861

BRACKET

SN: 110001-110097

1шт.

10

6631-11-5630

SPACER

SN: 110001-110670

3шт.

11

6162-73-5940

SPACER

SN: 110001-110670

1шт.

12

01435-01045

BOLT

SN: 110098-110670

3шт.

12

01435-01055

BOLT

SN: 110001-110097

3шт.

13

01435-01035

BOLT

SN: 110098-110670

1шт.

13

01435-01025

BOLT

SN: 110001-110097

1шт.

14

6217-11-8611

BLOCK

SN: 110012-110670

1шт.

14

6217-11-8610

BLOCK

SN: 110001-110011

1шт.

15

01435-01070

BOLT

SN: 110098-110670

2шт.

15

01435-01065

BOLT

SN: 110001-110097

2шт.

16

01435-01030

BOLT

SN: 110001-110670

2шт.

17

01643-31032

WASHER

SN: 110098-110670

2шт.

18

7861-93-1420

SENSOR

SN: 110001-110670

1шт.

19

08670-22001

INDICATOR

SN: 110001-110670

1шт.

20

6240-11-8610

ADAPTER

SN: 110001-110670

1шт.

21

08671-51030

HOSE

SN: 110001-110670

1шт.

22

08193-20010

CLIP

SN: 110001-110670

1шт.

23

01435-01016

BOLT

SN: 110001-110670

1шт.

24

6217-11-4640

BRACKET

SN: 110001-110670

1шт.

25

01436-01045

BOLT

SN: 110001-110670

2шт.

26

6150-81-6920

SPACER

SN: 110001-110670

1шт.

27

362-60-12210

SPACER

SN: 110001-110670

1шт.

28

6217-11-4661

BRACKET

SN: 110001-110670

1шт.

29

01435-01030

BOLT

SN: 110001-110670

2шт.

30

01435-01025

BOLT

SN: 110001-110670

2шт.

31

6217-11-4651

BRACKET

SN: 110001-110670

1шт.

32

01435-01035

BOLT

SN: 110150-110670

3шт.

32

01010-81030

BOLT

SN: 110001-110149

3шт.

33

01643-31032

WASHER

SN: 110001-110149

3шт.

34

01435-01020

BOLT

SN: 110001-110670

2шт.

35

02720-20204

PLUG

SN: 110012-110670

1шт.

Выбрано товаров: 45