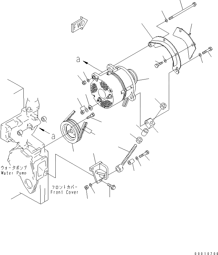
Запчасти Komatsu SA6D140E-3H-7 КРЕПЛЕНИЕ ГЕНЕРАТОРА (A) (ЗАПЫЛЕНН СПЕЦ-Я.) ДВИГАТЕЛЬ

Схема запчастей Komatsu SA6D140E-3H-7 - КРЕПЛЕНИЕ ГЕНЕРАТОРА (A) (ЗАПЫЛЕНН СПЕЦ-Я.) ДВИГАТЕЛЬ
1
1
1A
2
3
4
4
5
6
7
8
9
10
11
12
12
13
14
14
15
16
17
18
19
20
21
22
23
24
25
FIT
1:1
100%

Артикул

Название

Примечание

Количество

1

600-825-6270

ALTERNATOR A. (60A),(SEE FIG.A6010-B4H1)

SN: 110001-UP

1шт.

1A

600-815-9980

WASHER

SN: 110001-UP

1шт.

2

6128-21-6780

BOLT

SN: 110007-UP

1шт.

|2

6732-81-6840

BOLT

SN: 110001-110006

1шт.

3

02205-10812

NUT

SN: 110007-UP

1шт.

|3

01582-01210

NUT

SN: 110001-110006

1шт.

4

01640-21323

WASHER

SN: 110007-UP

2шт.

|4

01643-31232

WASHER

SN: 110001-110006

2шт.

5

6144-85-6550

SPACER

SN: 110001-UP

1шт.

6

6210-81-6750

SPACER

SN: 110001-UP

1шт.

7

6150-82-8610

ROD,ADJUST

SN: 110001-UP

1шт.

8

6150-82-8690

PLATE

SN: 110001-UP

1шт.

9

6215-81-6150

PIN

SN: 110001-UP

1шт.

10

01010-81260

BOLT

SN: 110001-UP

1шт.

11

01580-11210

NUT

SN: 110001-UP

1шт.

12

01643-31232

WASHER

SN: 110001-UP

2шт.

13

6933-51-5150

SPACER

SN: 110001-110006

1шт.

14

01580-11411

NUT

SN: 110001-UP

2шт.

15

6210-82-6570

BRACKET

SN: 110001-UP

1шт.

16

01435-01025

BOLT

SN: 110001-UP

2шт.

17

01050-51260

BOLT

SN: 110001-UP

1шт.

18

01643-31232

WASHER

SN: 110001-UP

1шт.

19

6210-81-6960

V-BELT SET

SN: 110001-UP

1шт.

20

6210-82-6840

PULLEY¤ HARDENING

SN: 110001-UP

1шт.

21

01010-80820

BOLT

SN: 110001-UP

3шт.

22

6210-82-6450

COVER

SN: 110001-110006

1шт.

23

6210-81-6361

COVER

SN: 110001-110006

1шт.

24

01050-51020

BOLT

SN: 110001-110006

2шт.

25

01640-21016

WASHER

SN: 110001-110006

2шт.

Выбрано товаров: 29