Запчасти Komatsu SA6D140E-3H-7 ТОПЛИВН. НАСОС КОРПУС И СОЕДИН-Е COVER ДВИГАТЕЛЬ

Схема запчастей Komatsu SA6D140E-3H-7 - ТОПЛИВН. НАСОС КОРПУС И СОЕДИН-Е COVER ДВИГАТЕЛЬ
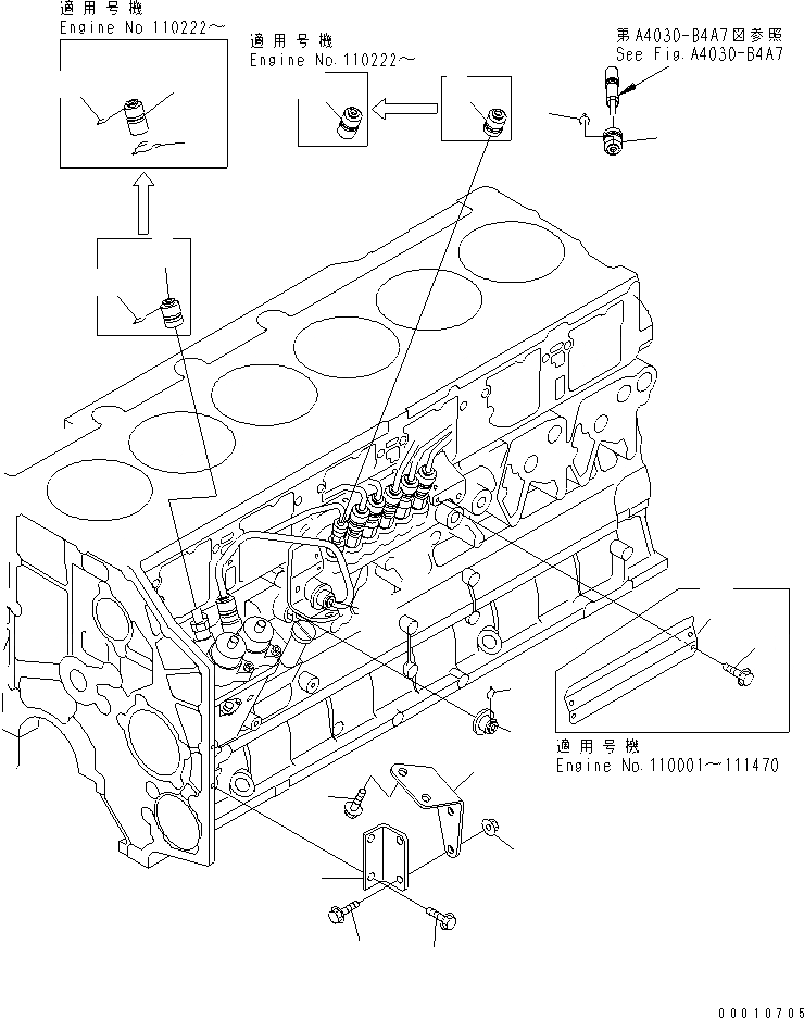
1
2
3
4
5
6
7
7
8
8
8
9
9
9
9
10
11
12
12
13
FIT
1:1
100%

Артикул

Название

Примечание

Количество

1

6217-21-6120

BRACKET

SN: 110001-UP

1шт.

2

01435-01020

BOLT

SN: 110001-UP

2шт.

3

6217-21-6210

BRACKET

SN: 110001-UP

1шт.

4

01435-01025

BOLT

SN: 112639-UP

2шт.

|4

0

BOLT

SN: 110001-112638

2шт.

5

01584-01008

NUT

SN: 110001-UP

2шт.

6

01435-01220

BOLT

SN: 110001-UP

2шт.

7

6217-71-9780

CAP

SN: 110001-UP

2шт.

8

6217-71-9770

CAP

SN: 110222-UP

6шт.

|8

6217-71-9790

CAP

SN: 110001-110221

14шт.

9

6217-71-5770

CLAMP

SN: 110001-UP

10шт.

10

6217-71-5591

COVER

SN: 110001-111470

1шт.

11

01435-00612

BOLT

SN: 110001-111470

4шт.

12

6217-71-9791

COVER

SN: 110222-UP

8шт.

13

6156-71-9730

CLIP

SN: 110222-UP

2шт.

Выбрано товаров: 15