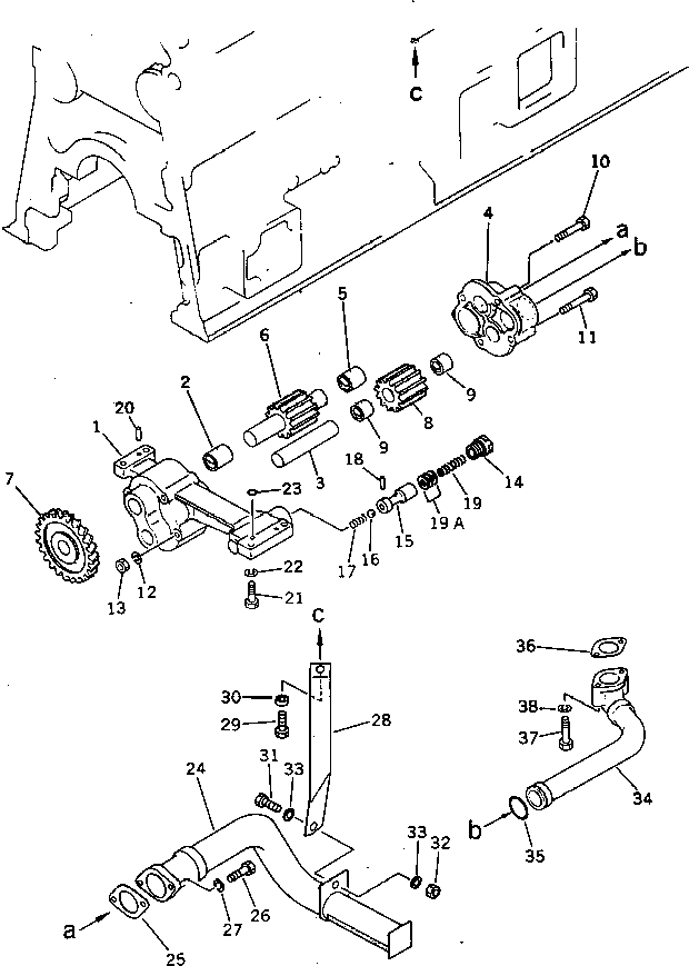
Запчасти Komatsu SA6D170-A-1E СМАЗЫВ. НАСОС И ВСАСЫВ. PIPE (ОДИНОЧН. ТУРБОНАГНЕТАТЕЛЬ)(№8-) СИСТЕМА СМАЗКИ МАСЛ. СИСТЕМА

Схема запчастей Komatsu SA6D170-A-1E - СМАЗЫВ. НАСОС И ВСАСЫВ. PIPE (ОДИНОЧН. ТУРБОНАГНЕТАТЕЛЬ)(№8-) СИСТЕМА СМАЗКИ МАСЛ. СИСТЕМА
FIT
1:1
100%

Артикул

Название

Примечание

Количество

|$0

6162-53-1012

OIL PUMP ASS'Y

SN: 11681-UP

1шт.

|$1

6162-53-1210

BODY ASS'Y

SN: 10277-UP

1шт.

1

0

BODY

SN: 10277-UP

1шт.

2

6162-53-1180

BUSHING

SN: 10277-UP

1шт.

3

6162-53-1270

SHAFT,DRIVEN

SN: 10277-UP

1шт.

|$5

6162-53-1100

COVER ASS'Y

SN: 10277-UP

1шт.

4

0

COVER

SN: 10277-UP

1шт.

5

6162-53-1180

BUSHING

SN: 10277-UP

1шт.

6

6162-53-1240

SHAFT,DRIVE

SN: 10277-UP

1шт.

7

6162-53-1510

GEAR,DRIVE

SN: 10277-UP

1шт.

|$10

6162-53-1250

GEAR ASS'Y

SN: 10277-UP

1шт.

8

0

GEAR,DRIVEN

SN: 10277-UP

1шт.

9

6162-53-1280

BUSHING

SN: 10277-UP

2шт.

10

6162-53-1290

BOLT

SN: 10277-UP

2шт.

11

01051-31250

BOLT

SN: 10277-UP

2шт.

12

01602-01236

WASHER,SPRING

SN: 10277-UP

4шт.

13

01582-01210

NUT

SN: 10277-UP

4шт.

14

6162-53-1651

PLUG

SN: 11681-UP

1шт.

|$18

6162-53-6852

PLUNGER ASS'Y

SN: 11681-UP

1шт.

15

6162-53-6862

PLUNGER

SN: 11681-UP

1шт.

16

6162-53-6870

BALL

SN: 10277-UP

1шт.

17

6162-53-6880

SPRING

SN: 10277-UP

1шт.

18

6162-53-1190

PIN

SN: 10277-UP

1шт.

19

6162-53-6890

SPRING

SN: 10277-UP

1шт.

19A

6110-25-6340

SHIM ASS'Y

SN: 11681-UP

3шт.

20

04020-00820

PIN,DOWEL

SN: 10277-UP

2шт.

21

01010-31240

BOLT

SN: 10277-UP

4шт.

22

01602-01236

WASHER,SPRING

SN: 10277-UP

4шт.

23

07000-62015

O-RING (K2)

SN: 10277-UP

1шт.

24

6162-53-6314

PIPE,OIL SUCTION

SN: 11683-UP

1шт.

25

6111-61-6810

GASKET (K2)

SN: 10277-UP

1шт.

26

01010-31035

BOLT

SN: 10277-UP

2шт.

27

01602-01030

WASHER,SPRING

SN: 10277-UP

2шт.

28

6162-53-6344

BRACKET

SN: 11683-UP

1шт.

29

01010-31025

BOLT

SN: 10277-UP

1шт.

30

6110-23-6490

SPACER

SN: 11683-UP

1шт.

31

01010-31025

BOLT

SN: 10277-UP

1шт.

32

01580-01008

NUT

SN: 10277-UP

1шт.

33

01643-31032

WASHER

SN: 11683-UP

2шт.

34

6162-53-6410

PIPE

SN: 10277-UP

1шт.

35

6162-53-6370

O-RING (K2)

SN: 10277-UP

1шт.

36

6127-51-6821

GASKET (K2)

SN: 10277-UP

1шт.

37

01010-31070

BOLT

SN: 10277-UP

2шт.

38

01602-01030

WASHER,SPRING

SN: 10277-UP

2шт.

Выбрано товаров: 44