Запчасти Komatsu SA6D170-A-1J ПЕРЕДН. КРЫШКАAND ПЕРЕДН. СУППОРТ БЛОК ЦИЛИНДРОВ

Схема запчастей Komatsu SA6D170-A-1J - ПЕРЕДН. КРЫШКАAND ПЕРЕДН. СУППОРТ БЛОК ЦИЛИНДРОВ
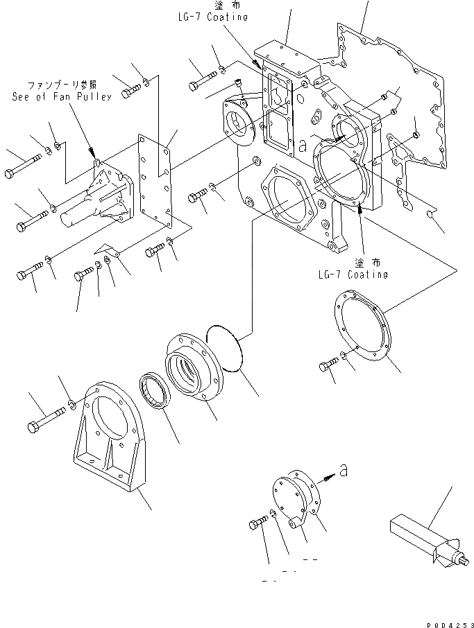
1
2
3
4
5
6
7
8
9
10
11
12
13
14
15
15
15
15
15A
16
17
18
19
20
21
22
23
24
25
26
27
28
29
30
31
32
33
34
35
36
FIT
1:1
100%

Артикул

Название

Примечание

Количество

|1

6162-23-3020

COVER ASS'Y

SN: 11451-UP

1шт.

1

0

COVER,GEAR CASE

SN: 11451-UP

1шт.

2

07043-50108

PLUG

SN: 11451-UP

1шт.

3

07046-11216

PLUG

SN: 11451-UP

4шт.

4

07046-11816

PLUG

SN: 11451-UP

3шт.

5

6162-23-3250

GASKET (K2)

SN: 11451-UP

1шт.

6

01011-31410

BOLT

SN: 11451-UP

6шт.

7

01602-01442

WASHER,SPRING

SN: 11451-UP

6шт.

8

01010-31285

BOLT

SN: 11451-UP

2шт.

9

01602-01236

WASHER,SPRING

SN: 11451-UP

2шт.

10

6162-23-3370

PLATE

SN: 11451-UP

1шт.

11

01011-51460

BOLT

SN: 11847-UP

3шт.

|11

01011-31455

BOLT

SN: 11451-11846

3шт.

12

01011-31455

BOLT

SN: 11847-UP

1шт.

|12

01011-31450

BOLT

SN: 11451-11846

1шт.

13

01010-31455

BOLT

SN: 11847-UP

1шт.

|13

01010-31450

BOLT

SN: 11451-11846

1шт.

14

01010-31430

BOLT

SN: 11451-UP

1шт.

15

01602-01442

WASHER,SPRING

SN: 11451-UP

6шт.

15A

01643-31445

WASHER

SN: 11451-UP

3шт.

16

01010-30820

BOLT

SN: 11451-UP

3шт.

17

01602-00825

WASHER,SPRING

SN: 11451-UP

3шт.

18

6162-23-3380

POINTER

SN: 11451-UP

1шт.

19

01010-30825

BOLT

SN: 11451-UP

2шт.

20

01602-00825

WASHER,SPRING

SN: 11451-UP

2шт.

21

01640-20816

WASHER

SN: 11451-UP

2шт.

22

6162-23-3390

COVER

SN: 11451-UP

1шт.

23

6162-23-3290

GASKET (K2)

SN: 11451-UP

1шт.

24

07000-01009

O-RING (K2)

SN: 11451-UP

1шт.

25

01010-30825

BOLT

SN: 11451-UP

6шт.

26

01602-00825

WASHER,SPRING

SN: 11451-UP

6шт.

27

6162-23-3230

COVER

SN: 11451-UP

1шт.

28

01010-30816

BOLT

SN: 11451-UP

9шт.

29

01602-00825

WASHER,SPRING

SN: 11451-UP

9шт.

30

6162-23-9910

TRUNNION

SN: 11451-UP

1шт.

31

6162-23-3510

SEAL¤ FRONT (K2)

SN: 11451-UP

1шт.

32

07000-65175

O-RING (K2)

SN: 11451-UP

1шт.

33

6162-23-3721

SUPPORT,FRONT

SN: 11847-UP

1шт.

|33

0

SUPPORT,FRONT

SN: 11451-11846

1шт.

34

01010-31465

BOLT

SN: 11451-UP

6шт.

35

01602-01442

WASHER,SPRING

SN: 11451-UP

6шт.

36

09920-00150

LIQUID GASKET,LG-7¤ 150G

SN: 11451-UP

-2шт.

Выбрано товаров: 42