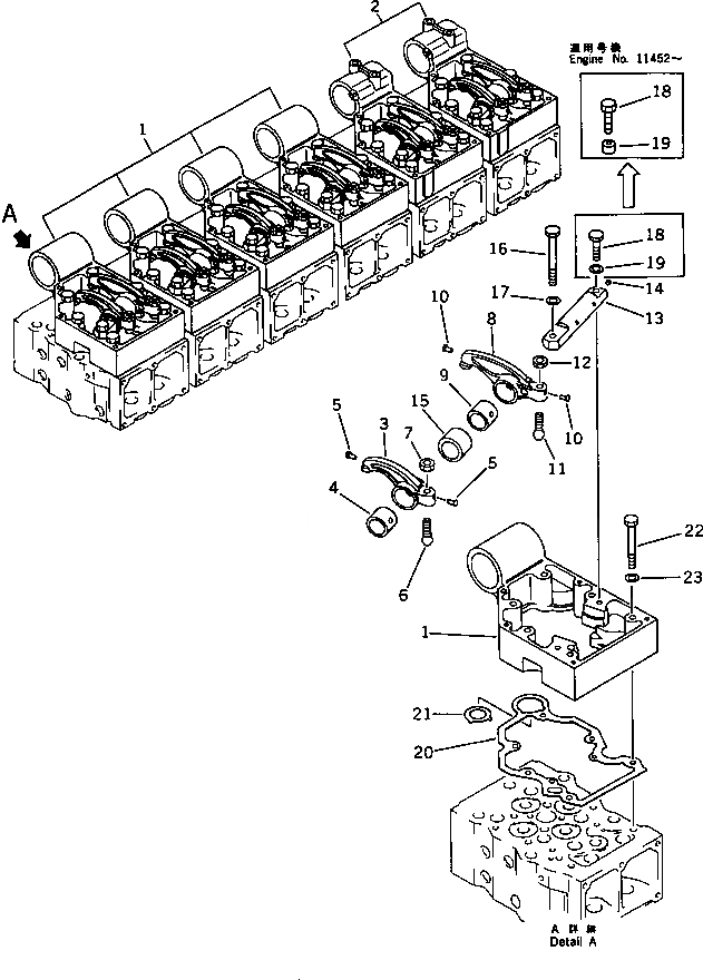
Запчасти Komatsu SA6D170-A-1J КОРОМЫСЛО И КОЖУХ ГОЛОВКА ЦИЛИНДРОВ

Схема запчастей Komatsu SA6D170-A-1J - КОРОМЫСЛО И КОЖУХ ГОЛОВКА ЦИЛИНДРОВ
FIT
1:1
100%

Артикул

Название

Примечание

Количество

1

6162-13-7210

HOUSING,ROCKER ARM¤ NO.1¤2¤3¤4

SN: 11451-UP

4шт.

2

6162-13-7110

HOUSING,ROCKER ARM¤ NO.5¤6

SN: 11451-UP

2шт.

|3

6162-43-5041

ROCKER ARM ASS'Y,INTAKE

SN: 11452-UP

6шт.

|3

0

ROCKER ARM ASS'Y,INTAKE

SN: 11451-11451

6шт.

|3

6162-43-5400

ROCKER ARM ASS'Y

SN: 11451-UP

1шт.

3

0

ARM,ROCKER

SN: 11451-UP

1шт.

4

6162-43-5420

BUSHING

SN: 11451-UP

1шт.

5

6162-43-5340

RIVET

SN: 11451-UP

2шт.

6

6127-41-5445

SCREW,ADJUST

SN: 11452-UP

1шт.

|6

0

SCREW,ADJUST

SN: 11451-11451

1шт.

7

6127-41-5431

NUT

SN: 11451-UP

1шт.

|8

6162-43-5051

ROCKER ARM ASS'Y,EXHAUST

SN: 11452-UP

6шт.

|8

0

ROCKER ARM ASS'Y,EXHAUST

SN: 11451-11451

6шт.

|8

6162-43-5500

ROCKER ARM ASS'Y

SN: 11451-UP

1шт.

8

0

ARM,ROCKER

SN: 11451-UP

1шт.

9

6162-43-5420

BUSHING

SN: 11451-UP

1шт.

10

6162-43-5340

RIVET

SN: 11451-UP

2шт.

11

6127-41-5445

SCREW,ADJUST

SN: 11452-UP

1шт.

|11

0

SCREW,ADJUST

SN: 11451-11451

1шт.

12

6127-41-5431

NUT

SN: 11451-UP

1шт.

|13

6162-43-5300

ROCKER ARM SHAFT A.

SN: 11451-UP

6шт.

13

0

SHAFT

SN: 11451-UP

1шт.

14

6162-43-2420

PIN

SN: 11451-UP

1шт.

15

6162-43-5320

COLLAR

SN: 11451-UP

6шт.

16

01011-31215

BOLT

SN: 11451-UP

6шт.

17

01643-31232

WASHER

SN: 11451-UP

6шт.

18

01010-31225

BOLT

SN: 11452-UP

6шт.

|18

01010-31245

BOLT

SN: 11451-11451

6шт.

19

6164-41-5390

SPACER

SN: 11452-UP

6шт.

|19

01643-31232

WASHER

SN: 11451-11451

6шт.

20

6162-13-7812

GASKET (K1)

SN: 11847-UP

6шт.

|20

0

GASKET

SN: 11452-11846

6шт.

|$$33

(6162-13-7812{6162-13-7823)}

-1шт.

|20

6162-13-7810

GASKET (K1)

SN: 11451-11451

6шт.

21

6162-13-7823

PACKING (K1)

SN: 14445-UP

6шт.

|21

0

PACKING

SN: 11847-14444

6шт.

|21

0

PACKING

SN: 11452-11846

6шт.

|21

6162-13-7821

PACKING (K1)

SN: 11451-11451

6шт.

22

01010-31290

BOLT

SN: 11451-UP

36шт.

23

01643-31232

WASHER

SN: 11451-UP

36шт.

Выбрано товаров: 40