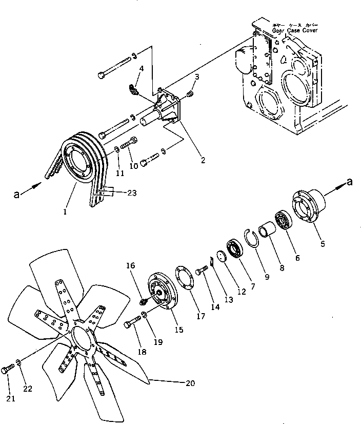
Запчасти Komatsu SA6D170-A-1J ВЕНТИЛЯТОР ОХЛАЖДЕНИЯ И КРЕПЛЕНИЕ СИСТЕМА ОХЛАЖДЕНИЯ

Схема запчастей Komatsu SA6D170-A-1J - ВЕНТИЛЯТОР ОХЛАЖДЕНИЯ И КРЕПЛЕНИЕ СИСТЕМА ОХЛАЖДЕНИЯ
FIT
1:1
100%

Артикул

Название

Примечание

Количество

|1

6162-63-3202

FAN PULLEY ASS'Y

SN: 11451-UP

1шт.

1

6162-63-3230

PULLEY

SN: 11451-UP

1шт.

2

6162-63-3221

BRACKET

SN: 11451-UP

1шт.

3

07043-50108

PLUG

SN: 11451-UP

1шт.

4

07020-00675

FITTING,GREASE

SN: 11451-UP

1шт.

5

6162-63-3240

CASE

SN: 11451-UP

1шт.

6

06007-06310

BEARING,BALL

SN: 11451-UP

1шт.

7

06000-06310

BEARING,BALL

SN: 11451-UP

1шт.

8

6162-63-3260

SPACER

SN: 11451-UP

1шт.

9

04077-00110

RING,SNAP

SN: 11451-UP

1шт.

10

01010-31245

BOLT

SN: 11451-UP

6шт.

11

01602-01236

WASHER,SPRING

SN: 11451-UP

6шт.

12

04080-05010

HOLDER

SN: 11451-UP

1шт.

13

04081-05012

LOCK

SN: 11452-UP

1шт.

|13

04081-05012

LOCK (K2)

SN: 11451-11451

1шт.

14

01010-31025

BOLT

SN: 11451-UP

2шт.

15

6162-63-3250

COVER

SN: 11451-UP

1шт.

16

6127-61-3890

VALVE,GREASE

SN: 11451-UP

1шт.

17

6162-63-3270

GASKET

SN: 11452-UP

1шт.

|17

6162-63-3270

GASKET (K2)

SN: 11451-11451

1шт.

18

01010-31255

BOLT

SN: 11451-UP

6шт.

19

01602-01236

WASHER,SPRING

SN: 11451-UP

6шт.

20

600-633-9060

FAN

SN: 11451-UP

1шт.

21

01010-31240

BOLT

SN: 11451-UP

6шт.

22

01602-01236

WASHER,SPRING

SN: 11451-UP

6шт.

23

04122-22568

V-BELT SET

SN: 11451-UP

1шт.

Выбрано товаров: 26