Запчасти Komatsu SA6D170-A-1P ТОПЛ. НАСОС И КРЕПЛЕНИЕ (ДЛЯ ЭЛЕКТРИЧ. РЕГУЛЯТОРА)(№8-) ТОПЛИВН. СИСТЕМА

Схема запчастей Komatsu SA6D170-A-1P - ТОПЛ. НАСОС И КРЕПЛЕНИЕ (ДЛЯ ЭЛЕКТРИЧ. РЕГУЛЯТОРА)(№8-) ТОПЛИВН. СИСТЕМА
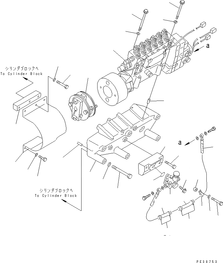
1
2
3
4
5
6
7
8
9
10
11
12
13
14
15
16
16
17
18
19
20
21
22
23
23
24
24
25
26
27
28
FIT
1:1
100%

Артикул

Название

Примечание

Количество

1

6553-00-1301

INJECTION PUMP ASS'Y,(SEE FIG.0453)

SN: 17242-UP

1шт.

|1

0

INJECTION PUMP ASS'Y,(SEE FIG.0453)

SN: 15358-17241

1шт.

2

6162-23-7640

BRACKET

SN: 15358-UP

1шт.

3

04020-00820

PIN,DOWEL

SN: 15358-UP

2шт.

4

01011-31225

BOLT

SN: 15358-UP

6шт.

5

01643-31232

WASHER

SN: 15358-UP

6шт.

6

01438-01005

BOLT

SN: 15358-UP

2шт.

7

01643-51032

WASHER

SN: 15358-UP

2шт.

8

6210-41-2430

PIN,DOWEL

SN: 15358-UP

2шт.

9

6210-81-8130

BOLT

SN: 15358-UP

2шт.

10

01643-51032

WASHER

SN: 15358-UP

2шт.

11

6553-91-3810

COUPLING ASS'Y,(SEE FIG.0472)

SN: 15358-UP

1шт.

12

6162-73-3551

COVER

SN: 15358-UP

1шт.

13

6162-73-3520

PLATE

SN: 15358-UP

1шт.

14

01010-31055

BOLT

SN: 15358-UP

1шт.

15

01010-31020

BOLT

SN: 15358-UP

4шт.

16

01643-31032

WASHER

SN: 15358-UP

5шт.

17

6162-73-4610

BRACKET

SN: 15358-UP

1шт.

18

01010-31060

BOLT

SN: 15358-UP

2шт.

19

6553-91-1400

FEED PUMP ASS'Y,(SEE FIG.0482)

SN: 15358-UP

1шт.

20

07000-03032

O-RING

SN: 15358-UP

1шт.

21

01435-00614

BOLT

SN: 15358-UP

3шт.

22

07271-01495

HOSE

SN: 15358-UP

1шт.

23

205-62-72140

COVER

SN: 15358-UP

2шт.

24

08034-00519

BAND

SN: 15358-UP

4шт.

25

04434-51810

CLIP

SN: 15358-UP

1шт.

26

6152-11-4970

SPACER

SN: 15358-UP

1шт.

27

01010-31050

BOLT

SN: 15358-UP

1шт.

28

01643-31032

WASHER

SN: 15358-UP

1шт.

Выбрано товаров: 29