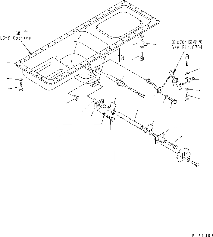
Запчасти Komatsu SA6D170-A-1Q МАСЛЯНЫЙ ПОДДОН (МОРОЗОУСТОЙЧИВ. СПЕЦИФИКАЦИЯ.) БЛОК ЦИЛИНДРОВ

Схема запчастей Komatsu SA6D170-A-1Q - МАСЛЯНЫЙ ПОДДОН (МОРОЗОУСТОЙЧИВ. СПЕЦИФИКАЦИЯ.) БЛОК ЦИЛИНДРОВ
1
2
3
4
4
5
5
5
6
7
8
9
10
11
12
13
13
14
15
16
17
18
19
20
21
1
2
3
4
4
5
5
5
6
7
8
9
10
11
12
13
13
14
15
16
17
18
19
20
21
FIT
1:1
100%

Артикул

Название

Примечание

Количество

1

6162-23-5130

PAN,OIL

SN: 13144-UP

1шт.

2

01010-51030

BOLT

SN: 13144-UP

43шт.

3

01602-21030

WASHER,SPRING

SN: 13144-UP

43шт.

4

01010-31035

BOLT

SN: 13144-UP

2шт.

5

01643-31032

WASHER

SN: 13144-UP

4шт.

6

6710-21-7640

CLIP

SN: 13144-UP

1шт.

7

02720-41616

PLUG

SN: 13144-UP

1шт.

8

600-815-6330

HEATER,OIL PAN

SN: 13144-UP

1шт.

|9

428-01-11100

HOSE ASS'Y

SN: 13144-UP

1шт.

9

426-01-11211

TUBE

SN: 13144-UP

1шт.

10

424-01-11140

HOSE

SN: 13144-UP

1шт.

11

426-01-11231

TUBE

SN: 13144-UP

1шт.

12

424-01-11110

PLUG

SN: 13144-UP

1шт.

13

07281-00359

CLAMP

SN: 13144-UP

4шт.

14

07000-63025

O-RING (K2)

SN: 14930-UP

1шт.

|14

0

O-RING (K2)

SN: 13144-14929

1шт.

15

01010-51030

BOLT

SN: 13144-UP

2шт.

16

01643-31032

WASHER

SN: 13144-UP

2шт.

17

7861-91-4210

SENSOR

SN: 13144-UP

1шт.

|17

7861-91-4220

O-RING (K2)

SN: 13144-UP

1шт.

18

01010-30612

BOLT

SN: 13144-UP

3шт.

19

01640-20610

WASHER

SN: 13144-UP

3шт.

20

08052-11311

CLIP

SN: 13144-UP

1шт.

21

08034-00310

BAND

SN: 13144-UP

1шт.

1

6162-23-5130

PAN,OIL

SN: 13144-UP

1шт.

2

01010-51030

BOLT

SN: 13144-UP

43шт.

3

01602-21030

WASHER,SPRING

SN: 13144-UP

43шт.

4

01010-31035

BOLT

SN: 13144-UP

2шт.

5

01643-31032

WASHER

SN: 13144-UP

4шт.

6

6710-21-7640

CLIP

SN: 13144-UP

1шт.

7

02720-41616

PLUG

SN: 13144-UP

1шт.

8

600-815-6330

HEATER,OIL PAN

SN: 13144-UP

1шт.

|9

428-01-11100

HOSE ASS'Y

SN: 13144-UP

1шт.

9

426-01-11211

TUBE

SN: 13144-UP

1шт.

10

424-01-11140

HOSE

SN: 13144-UP

1шт.

11

426-01-11231

TUBE

SN: 13144-UP

1шт.

12

424-01-11110

PLUG

SN: 13144-UP

1шт.

13

07281-00359

CLAMP

SN: 13144-UP

4шт.

14

07000-63025

O-RING (K2)

SN: 14930-UP

1шт.

|14

0

O-RING (K2)

SN: 13144-14929

1шт.

15

01010-51030

BOLT

SN: 13144-UP

2шт.

16

01643-31032

WASHER

SN: 13144-UP

2шт.

17

7861-91-4210

SENSOR

SN: 13144-UP

1шт.

|17

7861-91-4220

O-RING (K2)

SN: 13144-UP

1шт.

18

01010-30612

BOLT

SN: 13144-UP

3шт.

19

01640-20610

WASHER

SN: 13144-UP

3шт.

20

08052-11311

CLIP

SN: 13144-UP

1шт.

21

08034-00310

BAND

SN: 13144-UP

1шт.

Выбрано товаров: 48