Запчасти Komatsu SA6D170-A-1Q ВЕНТИЛЯТОР ОХЛАЖДЕНИЯ И КРЕПЛЕНИЕ(№-99) СИСТЕМА ОХЛАЖДЕНИЯ

Схема запчастей Komatsu SA6D170-A-1Q - ВЕНТИЛЯТОР ОХЛАЖДЕНИЯ И КРЕПЛЕНИЕ(№-99) СИСТЕМА ОХЛАЖДЕНИЯ
FIT
1:1
100%

Артикул

Название

Примечание

Количество

|1

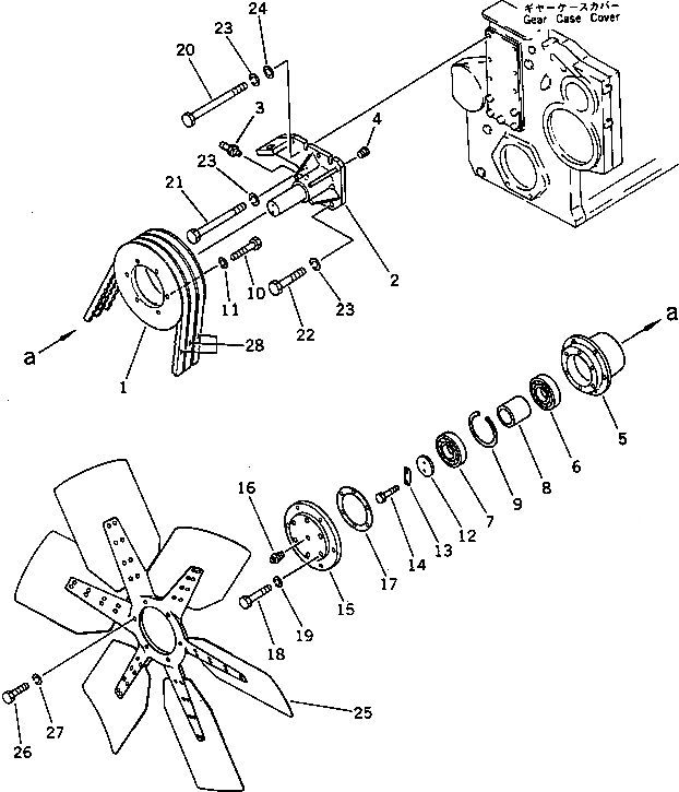
6162-63-5200

FAN PULLEY ASS'Y

SN: 13144-14929

1шт.

1

6162-63-3360

PULLEY¤ HARDENING

SN: 13144-@

1шт.

2

6162-63-5210

BRACKET

SN: 13144-14929

1шт.

3

07020-00000

FITTING,GREASE

SN: 13144-@

1шт.

4

07043-50108

PLUG

SN: 13144-@

1шт.

5

6162-63-3240

CASE

SN: 13144-@

1шт.

6

06007-06310

BEARING,BALL

SN: 13144-@

1шт.

7

06000-06310

BEARING,BALL

SN: 13144-@

1шт.

8

6162-63-3260

SPACER

SN: 13144-@

1шт.

9

04077-00110

RING,SNAP

SN: 13144-@

1шт.

10

01010-31245

BOLT

SN: 13144-@

6шт.

11

01602-01236

WASHER,SPRING

SN: 13144-@

6шт.

12

04080-05010

HOLDER

SN: 13144-@

1шт.

13

04081-05012

LOCK

SN: 13144-@

1шт.

14

01010-31025

BOLT

SN: 13144-@

2шт.

15

6162-63-3380

COVER

SN: 13144-@

1шт.

16

6127-61-3890

VALVE,GREASE

SN: 13144-@

1шт.

17

6162-63-3270

GASKET

SN: 13144-@

1шт.

18

01010-31255

BOLT

SN: 13144-@

6шт.

19

01602-01236

WASHER,SPRING

SN: 13144-@

6шт.

20

01011-31460

BOLT

SN: 13144-14929

3шт.

21

01011-31455

BOLT

SN: 13144-14929

1шт.

22

01010-31455

BOLT

SN: 13144-@

1шт.

23

01602-01442

WASHER,SPRING

SN: 13144-14929

5шт.

24

01643-31445

WASHER

SN: 13144-14929

3шт.

25

600-643-1321

FAN

SN: 13144-@

1шт.

26

01010-31240

BOLT

SN: 13144-@

6шт.

27

01602-01236

WASHER,SPRING

SN: 13144-@

6шт.

28

04122-22572

V-BELT SET

SN: 13144-@

1шт.

|1

6162-63-5200

FAN PULLEY ASS'Y

SN: 13144-14929

1шт.

1

6162-63-3360

PULLEY¤ HARDENING

SN: 13144-@

1шт.

2

6162-63-5210

BRACKET

SN: 13144-14929

1шт.

3

07020-00000

FITTING,GREASE

SN: 13144-@

1шт.

4

07043-50108

PLUG

SN: 13144-@

1шт.

5

6162-63-3240

CASE

SN: 13144-@

1шт.

6

06007-06310

BEARING,BALL

SN: 13144-@

1шт.

7

06000-06310

BEARING,BALL

SN: 13144-@

1шт.

8

6162-63-3260

SPACER

SN: 13144-@

1шт.

9

04077-00110

RING,SNAP

SN: 13144-@

1шт.

10

01010-31245

BOLT

SN: 13144-@

6шт.

11

01602-01236

WASHER,SPRING

SN: 13144-@

6шт.

12

04080-05010

HOLDER

SN: 13144-@

1шт.

13

04081-05012

LOCK

SN: 13144-@

1шт.

14

01010-31025

BOLT

SN: 13144-@

2шт.

15

6162-63-3380

COVER

SN: 13144-@

1шт.

16

6127-61-3890

VALVE,GREASE

SN: 13144-@

1шт.

17

6162-63-3270

GASKET

SN: 13144-@

1шт.

18

01010-31255

BOLT

SN: 13144-@

6шт.

19

01602-01236

WASHER,SPRING

SN: 13144-@

6шт.

20

01011-31460

BOLT

SN: 13144-14929

3шт.

21

01011-31455

BOLT

SN: 13144-14929

1шт.

22

01010-31455

BOLT

SN: 13144-@

1шт.

23

01602-01442

WASHER,SPRING

SN: 13144-14929

5шт.

24

01643-31445

WASHER

SN: 13144-14929

3шт.

25

600-643-1321

FAN

SN: 13144-@

1шт.

26

01010-31240

BOLT

SN: 13144-@

6шт.

27

01602-01236

WASHER,SPRING

SN: 13144-@

6шт.

28

04122-22572

V-BELT SET

SN: 13144-@

1шт.

Выбрано товаров: 58