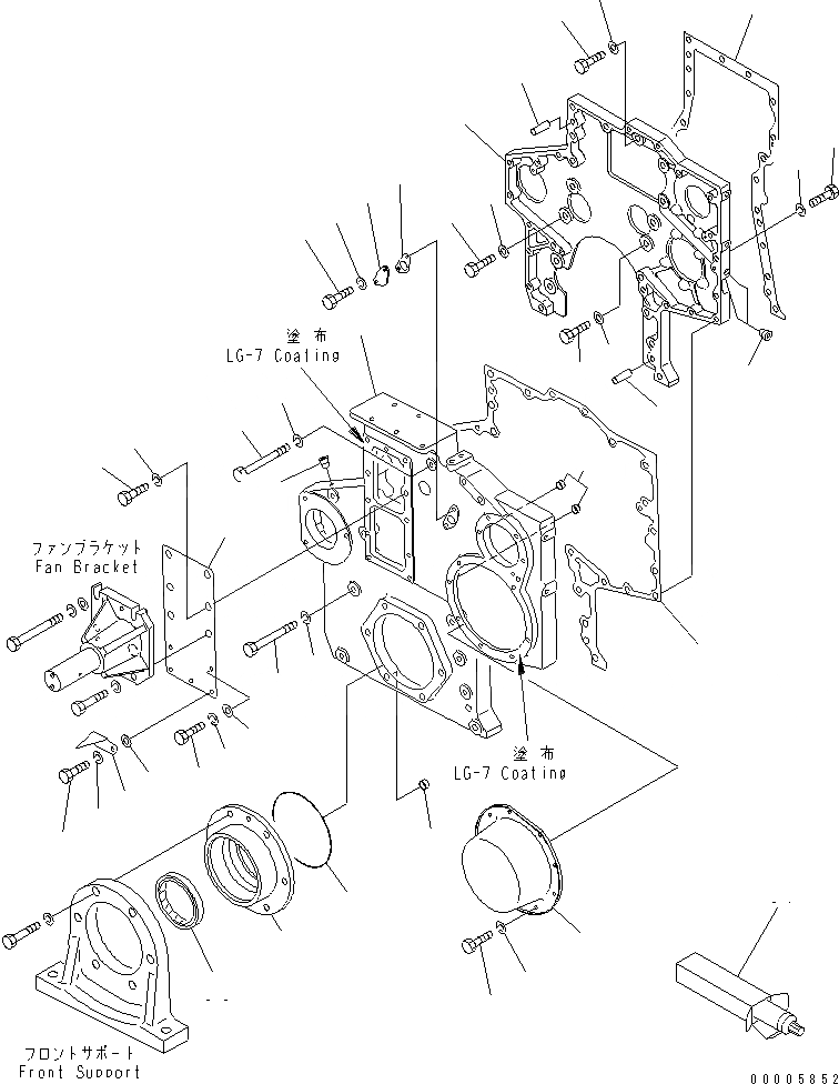
Запчасти Komatsu SA6D170-A-1T-7 КОРПУС ШЕСТЕРЕНН. ПЕРЕДАЧИ И ПЕРЕДН. COVER(№78-99) ДВИГАТЕЛЬ

Схема запчастей Komatsu SA6D170-A-1T-7 - КОРПУС ШЕСТЕРЕНН. ПЕРЕДАЧИ И ПЕРЕДН. COVER(№78-99) ДВИГАТЕЛЬ
1
2
3
3
4
5
6
7
8
8
8
9
10
11
12
13
14
15
16
17
18
18
19
20
21
22
23
24
25
26
27
28
28
29
29
30
31
32
33
34
35
36
37
FIT
1:1
100%

Артикул

Название

Примечание

Количество

|$2

6162-23-3012

GEAR CASE ASS'Y

SN: 15730-19490

1шт.

1

0

CASE,GEAR

SN: 15730-19490

1шт.

2

07043-50108

PLUG

SN: 15730-19490

2шт.

3

04020-01434

PIN,DOWEL

SN: 15730-19490

2шт.

4

6162-23-3811

GASKET (K2)

SN: 16045-19490

1шт.

5

01010-31450

BOLT

SN: 15730-19490

3шт.

6

01010-31435

BOLT

SN: 15730-19490

4шт.

7

01010-31440

BOLT

SN: 15730-19490

2шт.

8

01643-31445

WASHER

SN: 15730-19490

9шт.

|$12

6162-23-3020

COVER ASS'Y

SN: 15730-19490

1шт.

9

0

COVER,GEAR CASE

SN: 15730-19490

1шт.

10

07043-50108

PLUG

SN: 15730-19490

1шт.

11

07046-11216

PLUG

SN: 15730-19490

4шт.

12

07046-11816

PLUG

SN: 15730-19490

3шт.

13

6162-23-3251

GASKET (K2)

SN: 16045-19490

1шт.

14

01011-31410

BOLT

SN: 15730-19490

6шт.

15

01602-01442

WASHER,SPRING

SN: 15730-19490

6шт.

16

01010-81260

BOLT

SN: 17971-19490

10шт.

16

0

BOLT

SN: 15730-17970

10шт.

17

01010-81285

BOLT

SN: 17971-19490

2шт.

17

0

BOLT

SN: 15730-17970

2шт.

18

01602-01236

WASHER,SPRING

SN: 15730-19490

12шт.

19

6162-23-3960

PLATE

SN: 17481-19490

1шт.

20

01010-80616

BOLT

SN: 17971-19490

2шт.

20

0

BOLT

SN: 17481-17970

2шт.

21

01602-00619

WASHER,SPRING

SN: 17481-19490

2шт.

22

6162-23-3970

GASKET (K2)

SN: 17481-19490

1шт.

23

6162-23-3370

PLATE

SN: 15730-19490

1шт.

24

01010-31430

BOLT

SN: 15730-19490

1шт.

25

01010-80825

BOLT

SN: 17971-19490

2шт.

25

0

BOLT

SN: 15730-17970

2шт.

26

01010-80820

BOLT

SN: 17971-19490

3шт.

26

0

BOLT

SN: 15730-17970

3шт.

27

01602-01442

WASHER,SPRING

SN: 15730-19490

1шт.

28

01602-00825

WASHER,SPRING

SN: 15730-19490

5шт.

29

01640-20816

WASHER

SN: 15730-19490

5шт.

30

6162-23-3220

COVER

SN: 15730-19490

1шт.

31

01010-80816

BOLT

SN: 17971-19490

9шт.

31

0

BOLT

SN: 15730-17970

9шт.

32

01602-00825

WASHER,SPRING

SN: 15730-19490

9шт.

33

6162-23-3380

POINTER

SN: 15730-19490

1шт.

34

6162-23-9910

TRUNNION

SN: 15730-19490

1шт.

35

07000-65175

O-RING (K2)

SN: 15730-19490

1шт.

36

6162-23-3510

SEAL, FRONT (K2)

SN: 15730-19490

1шт.

36

6215-29-4320

FRONT SEAL ASS'Y,REPAIR KIT

SN: 15730-19490

1шт.

36

0

SEAL, FRONT,(NOT SHOWN)

SN: 15730-19490

1шт.

36

0

SLEEVE,(NOT SHOWN)

SN: 15730-19490

1шт.

37

09920-00150

LIQUID GASKET,LG-7, 150G

SN: 15730-19490

-2шт.

Выбрано товаров: 48