Запчасти Komatsu SA6D170-A-1T ГОРНЫЙ ТОРМОЗ И КРЕПЛЕНИЕ (/)(№-) ГОЛОВКА ЦИЛИНДРОВ

Схема запчастей Komatsu SA6D170-A-1T - ГОРНЫЙ ТОРМОЗ И КРЕПЛЕНИЕ (/)(№-) ГОЛОВКА ЦИЛИНДРОВ
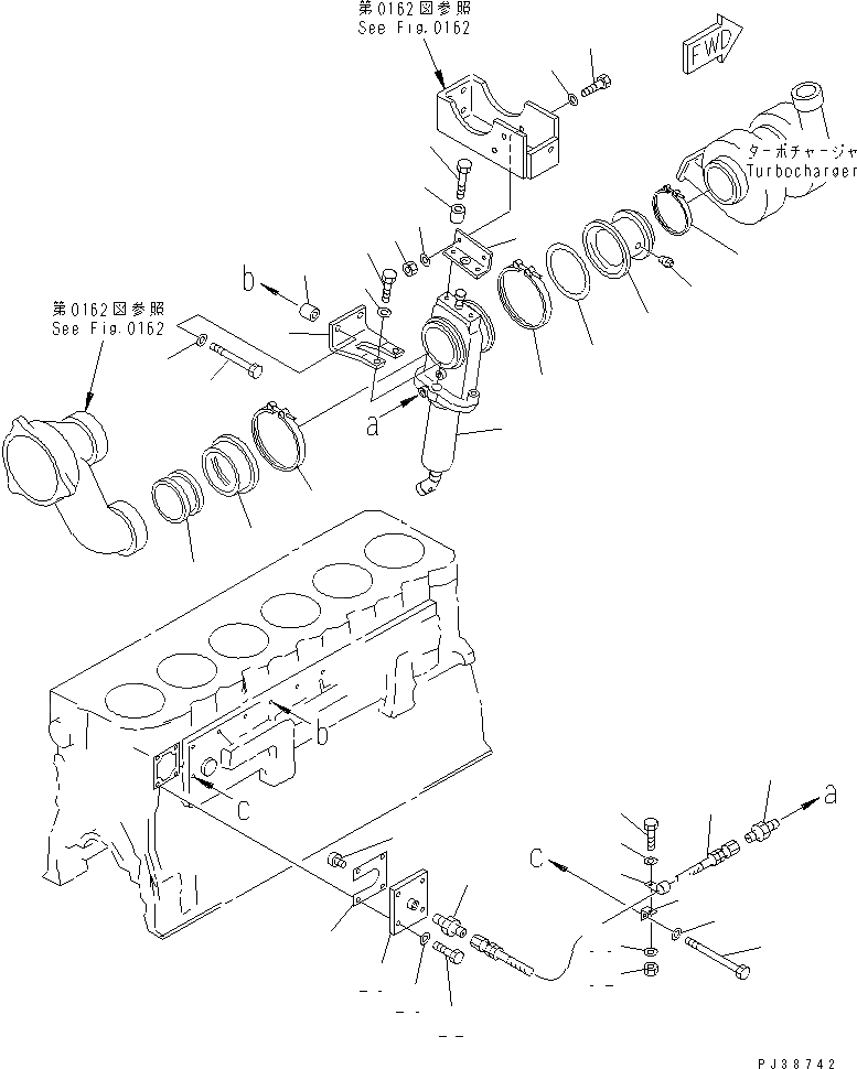
1
1
2
3
4
5
6
7
7
8
9
10
11
12
13
13
14
15
16
17
18
19
19
20
21
22
23
24
25
26
27
28
29
30
31
32
33
33
FIT
1:1
100%

Артикул

Название

Примечание

Количество

1

6162-13-8300

EXHAUST BRAKE ASS'Y

SN: 15361-UP

1шт.

2

6162-13-8210

BRACKET

SN: 15361-UP

1шт.

3

02010-70638

BOLT

SN: 15361-UP

2шт.

4

6631-11-5630

SPACER

SN: 15361-UP

2шт.

5

01010-31035

BOLT

SN: 15361-UP

2шт.

6

01580-01008

NUT

SN: 15361-UP

2шт.

7

01643-31032

WASHER

SN: 15361-UP

4шт.

8

6162-13-8310

CONNECTOR

SN: 15361-UP

1шт.

9

07042-00108

PLUG

SN: 15361-UP

1шт.

10

6151-11-5360

CLAMP

SN: 15361-UP

1шт.

11

6162-13-8280

CONNECTOR

SN: 15361-UP

1шт.

12

6215-91-1180

GASKET (K1)

SN: 15361-UP

1шт.

13

6215-91-1170

CLAMP

SN: 15361-UP

2шт.

14

6162-13-8270

JOINT

SN: 15361-UP

1шт.

15

6162-13-8480

BRACKET

SN: 15361-UP

1шт.

16

6631-11-6390

SPACER

SN: 15361-UP

2шт.

17

01011-31030

BOLT

SN: 15361-UP

2шт.

18

02010-70644

BOLT

SN: 15361-UP

2шт.

19

01643-31032

WASHER

SN: 15361-UP

4шт.

20

6162-13-8380

PLATE

SN: 15361-UP

1шт.

21

6162-13-8390

PLATE

SN: 15361-UP

1шт.

22

01010-31230

BOLT

SN: 15361-UP

4шт.

23

01643-31232

WASHER

SN: 15361-UP

4шт.

24

07214-50610

CONNECTOR

SN: 15361-UP

1шт.

25

6162-13-8650

HOSE

SN: 15361-UP

1шт.

26

6162-13-8640

CONNECTOR

SN: 15361-UP

1шт.

27

6150-61-6370

BRACKET

SN: 15361-UP

1шт.

28

01011-31010

BOLT

SN: 15361-UP

1шт.

29

01643-31032

WASHER

SN: 15361-UP

1шт.

30

04434-50810

CLIP

SN: 15361-UP

1шт.

31

01010-31025

BOLT

SN: 15361-UP

1шт.

32

01580-01008

NUT

SN: 15361-UP

1шт.

33

01643-31032

WASHER

SN: 15361-UP

2шт.

Выбрано товаров: 33