Запчасти Komatsu SA6D170-B-1E ДОПОЛНИТ.ITIONL ТОПЛИВН. FILER(№-79) ТОПЛИВН. СИСТЕМА

Схема запчастей Komatsu SA6D170-B-1E - ДОПОЛНИТ.ITIONL ТОПЛИВН. FILER(№-79) ТОПЛИВН. СИСТЕМА
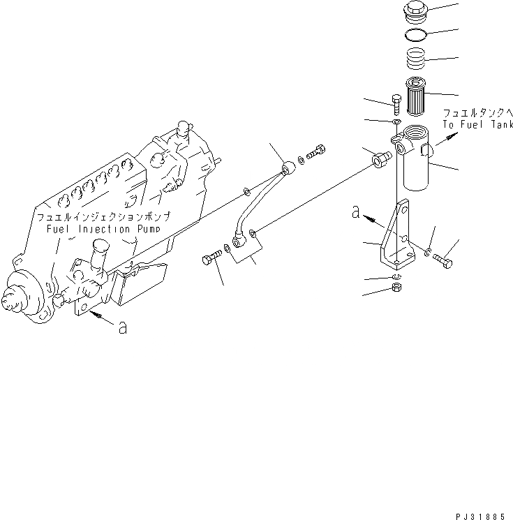
1
2
3
4
5
6
7
8
9
10
11
12
13
14
15
16
FIT
1:1
100%

Артикул

Название

Примечание

Количество

|$0

07058-00000

STRAINER ASS'Y

SN: 11452-11769

1шт.

1

07058-00001

CASE,STRAINER

SN: 11452-11769

1шт.

2

07058-00002

STRAINER

SN: 11452-11769

1шт.

3

07058-00003

SPRING

SN: 11452-11769

1шт.

4

07058-00004

PLUG

SN: 11452-11769

1шт.

5

07002-04234

O-RING (K2)

SN: 11452-11769

1шт.

6

6162-73-8750

BRACKET

SN: 11452-11769

1шт.

7

01010-31245

BOLT

SN: 11452-11769

2шт.

8

01602-01236

WASHER,SPRING

SN: 11452-11769

2шт.

9

01010-30825

BOLT

SN: 11452-11769

2шт.

10

01640-00816

WASHER

SN: 11452-11769

2шт.

11

01580-00806

NUT

SN: 11452-11769

2шт.

12

01602-00825

WASHER,SPRING

SN: 11452-11769

2шт.

13

125-04-23260

NIPPLE

SN: 11452-11769

1шт.

14

6162-73-8790

TUBE

SN: 11452-11769

1шт.

15

07206-31014

BOLT,JOINT

SN: 11452-11769

1шт.

16

07005-01412

GASKET (K2)

SN: 11452-11769

2шт.

Выбрано товаров: 17