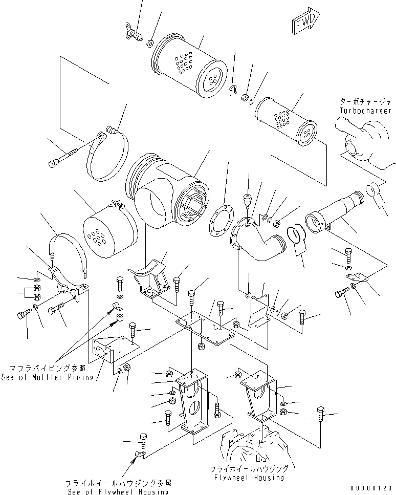
Запчасти Komatsu SA6D170-B-1F-7 ВОЗДУХООЧИСТИТЕЛЬ И КРЕПЛЕНИЕ(№7-) ДВИГАТЕЛЬ

Схема запчастей Komatsu SA6D170-B-1F-7 - ВОЗДУХООЧИСТИТЕЛЬ И КРЕПЛЕНИЕ(№7-) ДВИГАТЕЛЬ
1
2
3
4
5
6
7
8
9
10
11
12
13
13
14
14
15
15
16
17
17
18
18
18
19
19
20
21
21
21
21
22
22
22
22
22
22
23
24
25
26
26
26
27
28
29
30
31
32
33
34
35
36
37
38
39
40
41
42
43
FIT
1:1
100%

Артикул

Название

Примечание

Количество

1

6162-83-7411

BODY

SN: 15701-UP

1шт.

|$4

6128-81-7043

ELEMENT ASS'Y

SN: 19233-UP

1шт.

|$5

0

ELEMENT ASS'Y

SN: 15701-19232

1шт.

|$6

600-181-4401

ELEMENT ASS'Y,OUTER

SN: 19233-UP

1шт.

|$7

0

ELEMENT ASS'Y,OUTER

SN: 15701-19232

1шт.

2

0

ELEMENT,OUTER

SN: 19233-UP

1шт.

2

0

ELEMENT,OUTER

SN: 15701-19232

1шт.

3

600-181-4440

GASKET,SEAL

SN: 15701-UP

1шт.

4

600-181-4430

CLIP,SNAP

SN: 15701-UP

1шт.

5

600-181-4420

NUT,WING

SN: 15701-UP

1шт.

6

0

ELEMENT,INNER

SN: 15701-UP

1шт.

7

600-181-7511

WASHER,SEAL

SN: 15701-UP

1шт.

8

600-181-4370

NUT,AIR

SN: 15701-UP

1шт.

9

600-181-5460

PRE-CLEANER

SN: 15701-UP

1шт.

10

6127-11-4360

BAND ASS'Y

SN: 15701-UP

1шт.

10

6691-21-6550

PIN

SN: 15701-UP

1шт.

10

6691-21-6560

PIN, WITH THREAD

SN: 15701-UP

1шт.

11

6643-11-4641

BOLT

SN: 15701-UP

1шт.

12

6127-81-4823

GASKET (K1)

SN: 15701-UP

1шт.

13

01580-01008

NUT

SN: 15701-UP

8шт.

14

01602-01030

WASHER,SPRING

SN: 15701-UP

8шт.

15

01640-01016

WASHER

SN: 15701-UP

8шт.

16

6162-13-9230

BAND

SN: 15701-UP

1шт.

17

01010-81025

BOLT

SN: 17971-UP

4шт.

17

0

BOLT

SN: 15701-17970

4шт.

18

01010-81030

BOLT

SN: 17971-UP

7шт.

18

0

BOLT

SN: 15701-17970

7шт.

19

01010-81035

BOLT

SN: 17971-UP

4шт.

19

0

BOLT

SN: 15701-17970

4шт.

20

01010-81040

BOLT

SN: 17971-UP

2шт.

20

0

BOLT

SN: 15701-17970

2шт.

21

01641-01016

WASHER

SN: 15701-UP

8шт.

22

01580-01008

NUT

SN: 15701-UP

13шт.

23

01580-01008

NUT

SN: 15701-UP

4шт.

24

01640-21016

WASHER

SN: 15701-UP

2шт.

25

6162-13-4260

BRACKET

SN: 15701-UP

1шт.

26

01010-81225

BOLT

SN: 17971-UP

8шт.

26

0

BOLT

SN: 15701-17970

8шт.

27

6162-13-4250

BRACKET

SN: 15701-UP

1шт.

28

6162-13-4670

BRACKET

SN: 15701-UP

1шт.

29

01643-31032

WASHER

SN: 15701-UP

3шт.

30

6162-13-4990

PLATE

SN: 15701-UP

1шт.

31

6162-13-9310

BRACKET

SN: 15701-UP

1шт.

32

6162-13-9320

BRACKET

SN: 15701-UP

1шт.

33

6162-13-4751

BRACKET

SN: 19634-UP

1шт.

33

0

BRACKET

SN: 15701-19633

1шт.

34

02895-67116

O-RING (K1)

SN: 15701-UP

2шт.

35

02895-67081

O-RING (K1)

SN: 15701-UP

2шт.

36

6128-11-4310

CONNECTOR,AIR

SN: 15701-UP

1шт.

37

6162-13-9350

JOINT

SN: 15701-UP

1шт.

38

6162-13-9360

BRACKET

SN: 15701-UP

1шт.

39

01010-81020

BOLT

SN: 17971-UP

2шт.

39

0

BOLT

SN: 15701-17970

2шт.

40

01641-01016

WASHER

SN: 15701-UP

2шт.

41

01010-81225

BOLT

SN: 17971-UP

2шт.

41

0

BOLT

SN: 15701-17970

2шт.

42

01641-21223

WASHER

SN: 15701-UP

2шт.

43

08670-02001

INDICATOR,DUST

SN: 15701-UP

1шт.

Выбрано товаров: 0