Запчасти Komatsu SA6D170-B-1F-7 КРЕПЛЕНИЕ КОНДИЦИОНЕРА(№7-) ДВИГАТЕЛЬ

Схема запчастей Komatsu SA6D170-B-1F-7 - КРЕПЛЕНИЕ КОНДИЦИОНЕРА(№7-) ДВИГАТЕЛЬ
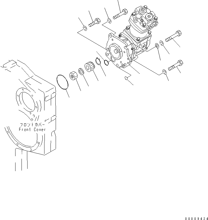
1
2
3
4
5
6
7
8
9
9
10
11
12
12
12
12
13
FIT
1:1
100%

Артикул

Название

Примечание

Количество

1

6162-83-6701

AIR COMPRESSOR ASS'Y,(SEE FIG.A7010-D6A4)

SN: 18025-UP

1шт.

1

0

AIR COMPRESSOR ASS'Y,(SEE FIG.A7010-D6A4)

SN: 15701-18024

1шт.

2

6162-83-6630

COUPLING,HALF

SN: 15701-UP

1шт.

3

04064-04218

RING,SNAP

SN: 15701-UP

1шт.

4

01583-02012

NUT

SN: 15701-UP

1шт.

5

6127-11-1620

WASHER

SN: 15701-UP

1шт.

6

07000-72085

O-RING (K8)

SN: 20413-UP

1шт.

6

0

O-RING (K8)

SN: 15701-20412

1шт.

7

07000-73028

O-RING (K8)

SN: 20413-UP

1шт.

7

0

O-RING (K8)

SN: 15701-20412

1шт.

8

07000-62015

O-RING (K8)

SN: 15701-UP

1шт.

9

01010-81270

BOLT

SN: 17971-UP

2шт.

9

0

BOLT

SN: 15701-17970

2шт.

10

01010-81275

BOLT

SN: 17971-UP

1шт.

10

0

BOLT

SN: 15701-17970

1шт.

11

01010-81235

BOLT

SN: 17971-UP

2шт.

11

0

BOLT

SN: 15701-17970

2шт.

12

01602-01236

WASHER,SPRING

SN: 15701-UP

5шт.

13

01643-31232

WASHER

SN: 15701-UP

1шт.

Выбрано товаров: 0