Запчасти Komatsu SA6D170-B-1F-SP ТОПЛ. НАСОС (РЕГУЛЯТОР) (/) (ВНУТР. ЧАСТИ)(№7-) ТОПЛИВН. СИСТЕМА

Схема запчастей Komatsu SA6D170-B-1F-SP - ТОПЛ. НАСОС (РЕГУЛЯТОР) (/) (ВНУТР. ЧАСТИ)(№7-) ТОПЛИВН. СИСТЕМА
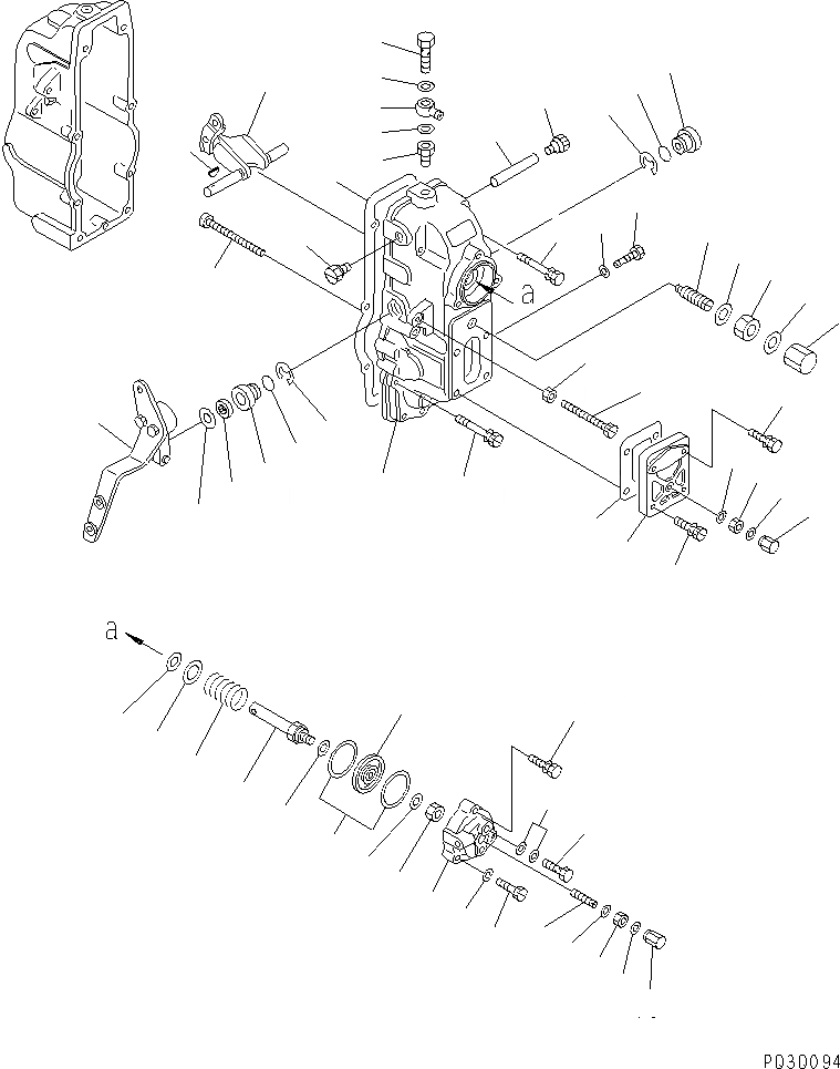
1
2
3
4
4
5
6
7
8
9
10
11
12
13
14
14
15
16
17
18
19
20
20
21
22
23
24
25
26
27
28
29
30
31
31
32
33
34
35
36
37
38
39
40
41
42
43
44
45
46
46
47
48
48
49
50
51
51
52
53
54
FIT
1:1
100%

Артикул

Название

Примечание

Количество

|1

6162-73-2370

INJECTION PUMP A.

SN: 17220-UP

1шт.

|$$2

THIS ASSEMBLY CONSISTS OF ALL PARTS SHOWN IN FIGS.0453 TO 0482.

-1шт.

|$$3

THE ZEXEL PART NUMBER IS THAT DK IS REMOVED FROM KOMATSU PART NUMBER LISTED BELOW.

-1шт.

|1

DK105447-1611

GOVERNOR ASS'Y

SN: 17220-UP

1шт.

|$$5

THIS ASSEMBLY CONSISTS OF ALL PARTS SHOWN IN FIGS.0463 AND 0464.

-1шт.

1

DK154520-7720

COVER ASS'Y

SN: 17220-UP

1шт.

2

DK154031-3000

SCREW

SN: 17220-UP

1шт.

3

DK139206-0600

NUT

SN: 17220-UP

1шт.

4

DK154036-0300

PLUG

SN: 17220-UP

2шт.

5

DK020106-5040

BOLT

SN: 17220-UP

4шт.

6

DK020106-2840

BOLT

SN: 17220-UP

3шт.

7

DK154034-2420

BOLT

SN: 17220-UP

1шт.

8

DK154011-1900

NUT

SN: 17220-UP

1шт.

9

DK154063-0900

COVER

SN: 17220-UP

1шт.

10

DK029020-6210

BOLT

SN: 17220-UP

2шт.

11

DK029020-6210

BOLT

SN: 17220-UP

2шт.

12

DK154158-3620

CAPSULE,SPRING

SN: 17220-UP

1шт.

13

DK029201-2140

NUT

SN: 17220-UP

1шт.

14

DK026512-1540

GASKET

SN: 17220-UP

2шт.

15

DK154159-1200

NUT,CAP

SN: 17220-UP

1шт.

16

DK154200-4520

LEVER,SWIVEL

SN: 17220-UP

1шт.

17

DK154204-4100

BUSHING

SN: 17220-UP

1шт.

18

DK139718-0200

O-RING

SN: 17220-UP

1шт.

19

DK139716-0100

O-RING

SN: 17220-UP

1шт.

20

DK016010-1640

RING,SNAP

SN: 17220-UP

2шт.

21

DK139611-0200

SEAL,OIL

SN: 17220-UP

1шт.

22

DK029311-1010

SHIM

SN: 17220-UP

1шт.

23

DK154204-2200

BUSHING

SN: 17220-UP

1шт.

24

DK025803-1310

KEY¤ 13MM

SN: 17220-UP

1шт.

25

DK154237-0200

PIN

SN: 17220-UP

1шт.

26

DK154349-5720

LEVER

SN: 17220-UP

1шт.

27

DK154371-3500

GASKET

SN: 17220-UP

1шт.

28

DK154390-3500

GASKET

SN: 17220-UP

1шт.

29

DK154400-7420

DIAPHRAGM

SN: 17220-UP

1шт.

30

DK154400-4800

ROD,PUSH

SN: 17220-UP

1шт.

31

DK029330-8050

GASKET

SN: 17220-UP

2шт.

32

DK154372-7200

NUT

SN: 17220-UP

1шт.

33

DK026510-1440

GASKET

SN: 17220-UP

1шт.

34

DK154401-4500

BOLT

SN: 17220-UP

1шт.

35

DK154402-0600

SPRING

SN: 17220-UP

1шт.

36

DK154404-5000

COVER

SN: 17220-UP

1шт.

37

DK020106-2240

BOLT

SN: 17220-UP

2шт.

38

DK154034-1900

SCREW

SN: 17220-UP

1шт.

39

DK013030-6040

NUT

SN: 17220-UP

1шт.

40

DK029731-0120

BOLT,JOINT

SN: 17220-UP

1шт.

41

DK029341-0110

GASKET

SN: 17220-UP

2шт.

42

DK029312-0210

SHIM¤ 0.2MM

SN: 17220-UP

-2шт.

|42

DK029312-0180

SHIM¤ 0.5MM

SN: 17220-UP

-2шт.

43

DK154035-1600

NUT,CAP

SN: 17220-UP

1шт.

44

DK029320-6010

WASHER,SPRING

SN: 17220-UP

1шт.

45

DK154413-2600

GASKET

SN: 17220-UP

2шт.

46

DK026506-1040

GASKET

SN: 17220-UP

2шт.

47

DK029010-6310

BOLT

SN: 17220-UP

1шт.

48

DK026506-1040

GASKET

SN: 17220-UP

2шт.

49

DK154035-1600

NUT,CAP

SN: 17220-UP

1шт.

50

DK131002-3800

ADAPTER

SN: 17220-UP

1шт.

51

DK029341-2140

GASKET

SN: 17220-UP

2шт.

52

DK029711-2350

EYE

SN: 17220-UP

1шт.

53

DK029731-2240

BOLT,JOINT

SN: 17220-UP

1шт.

54

DK029310-9080

SHIM

SN: 17220-UP

1шт.

Выбрано товаров: 60