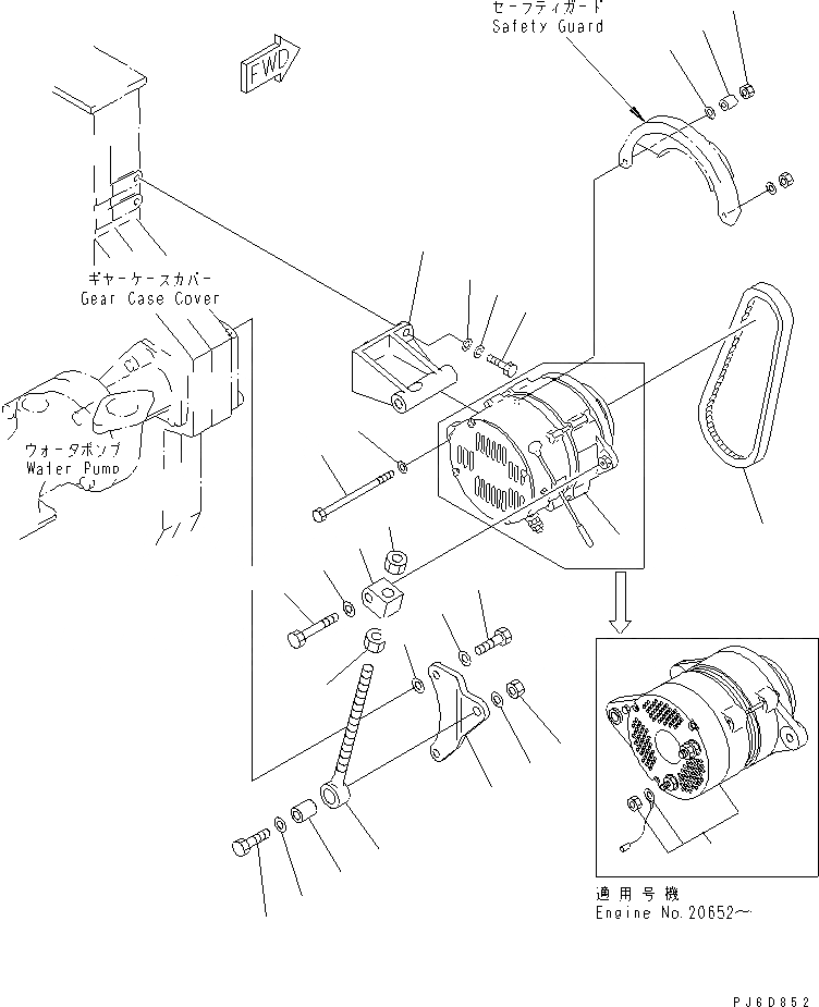
Запчасти Komatsu SA6D170E-2A КРЕПЛЕНИЕ ГЕНЕРАТОРА (A¤ A) ДВИГАТЕЛЬ

Схема запчастей Komatsu SA6D170E-2A - КРЕПЛЕНИЕ ГЕНЕРАТОРА (A¤ A) ДВИГАТЕЛЬ
1
1
2
3
4
5
6
7
8
9
10
11
12
13
14
15
16
17
18
18
19
20
21
22
23
23
24
FIT
1:1
100%

Артикул

Название

Примечание

Количество

1

600-825-6130

ALTERNATOR A. (60A),(SEE FIG.A6010-C6C7)

SN: 20652-UP

1шт.

|1

0

ALTERNATOR A. (50A),(SEE FIG.A6010-B6C7)

SN: 17353-20651

1шт.

|$$3

(600-825-6130{6151-51-8490)}

-1шт.

2

6210-81-6390

BOLT

SN: 17353-UP

1шт.

3

01643-31232

WASHER

SN: 17353-UP

1шт.

4

01640-21323

WASHER

SN: 17353-UP

1шт.

5

6151-51-8490

SPACER

SN: 20652-UP

1шт.

|5

6150-81-6950

SPACER

SN: 17353-20651

1шт.

6

01582-01210

NUT

SN: 17353-UP

1шт.

7

6162-85-4310

BRACKET

SN: 17353-UP

1шт.

8

01010-81030

BOLT

SN: 17353-UP

4шт.

9

01602-01030

WASHER,SPRING

SN: 17353-UP

4шт.

10

01640-01016

WASHER

SN: 17353-UP

4шт.

11

6162-85-5210

BRACKET

SN: 17353-UP

1шт.

12

01010-81040

BOLT

SN: 17353-UP

2шт.

13

01643-31032

WASHER

SN: 17353-UP

2шт.

14

01640-01016

WASHER

SN: 17353-UP

2шт.

15

6150-82-8610

ROD

SN: 17353-UP

1шт.

16

6150-82-8690

PLATE

SN: 17353-UP

1шт.

17

01010-81255

BOLT

SN: 17353-UP

1шт.

18

01643-31232

WASHER

SN: 17353-UP

2шт.

19

6215-81-6150

PIN

SN: 17353-UP

1шт.

20

01580-11210

NUT

SN: 17353-UP

1шт.

21

6162-85-5250

BOLT

SN: 17353-UP

1шт.

22

01643-31232

WASHER

SN: 17353-UP

1шт.

23

01580-01411

NUT

SN: 17353-UP

2шт.

24

04120-21933

V-BELT

SN: 17353-UP

1шт.

Выбрано товаров: 27