Запчасти Komatsu SA6D170E-2B-7 КРЕПЛЕНИЕ СТАРТЕРА (7.KW)(№7-) ДВИГАТЕЛЬ

Схема запчастей Komatsu SA6D170E-2B-7 - КРЕПЛЕНИЕ СТАРТЕРА (7.KW)(№7-) ДВИГАТЕЛЬ
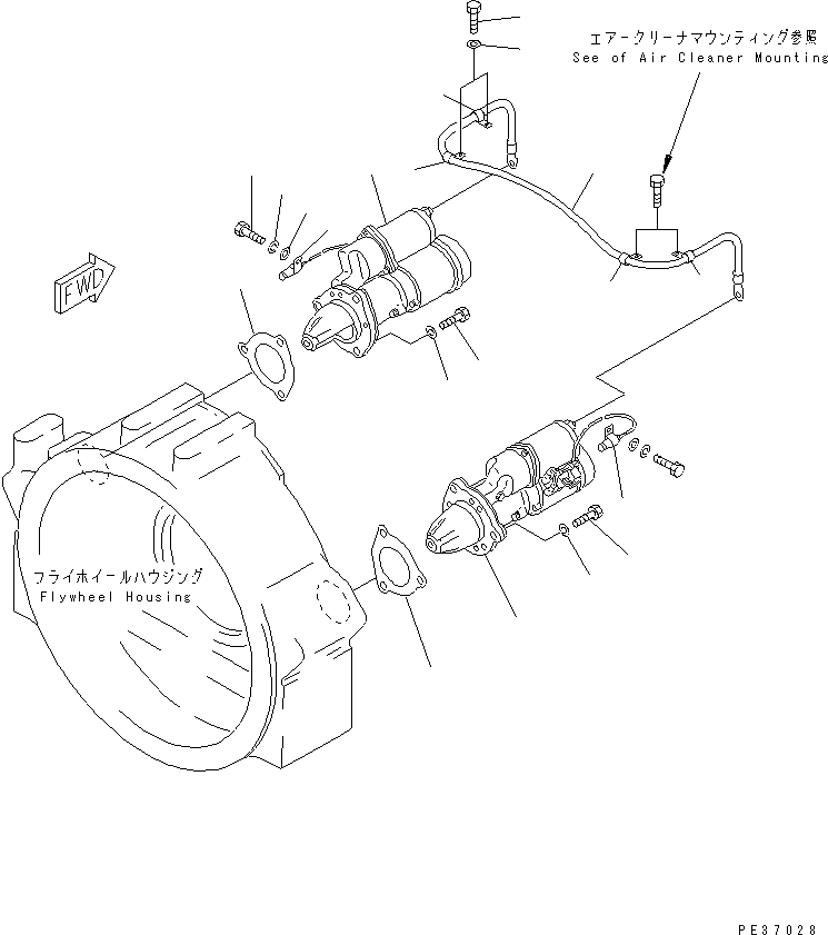
1
2
3
3
4
4
5
5
6
6
7
8
9
10
11
11
11
11
12
13
FIT
1:1
100%

Артикул

Название

Примечание

Количество

1

600-813-3732

STARTING MOTOR ASS'Y,(7.5KW) (SEE FIG.A6210-F6A8)

SN: 21964-UP

1шт.

1

0

STARTING MOTOR ASS'Y,(7.5KW) (SEE FIG.A6210-C6A8)

SN: 17360-21963

1шт.

1

0

STARTING MOTOR ASS'Y,(7.5KW) (SEE FIG.A6210-B6A8)

SN: (17360-20842)

1шт.

2

600-813-3623

STARTING MOTOR ASS'Y,(7.5KW) (SEE FIG.A6210-G6A8)

SN: 21964-UP

1шт.

2

0

STARTING MOTOR ASS'Y,(7.5KW)

SN: 17360-21963

1шт.

2

0

STARTING MOTOR ASS'Y,(7.5KW) (SEE FIG.A6210-D6A8)

SN: (17360-20842)

1шт.

3

6221-81-6810

GASKET (K2)

SN: 17360-UP

2шт.

4

01010-61645

BOLT

SN: 20842-UP

6шт.

4

0

BOLT

SN: 17360-20841

6шт.

5

01602-01648

WASHER,SPRING

SN: 17360-UP

6шт.

6

600-050-2620

CLIP

SN: 17360-UP

2шт.

7

01010-81225

BOLT

SN: 17360-UP

1шт.

8

01602-01236

WASHER,SPRING

SN: 17360-UP

1шт.

9

01641-01223

WASHER

SN: 17360-UP

1шт.

10

6162-83-4620

WIRE

SN: 17360-UP

1шт.

11

08036-01814

CLIP

SN: 17360-UP

4шт.

12

01010-81020

BOLT

SN: 17360-UP

2шт.

13

01643-31032

WASHER

SN: 17360-UP

2шт.

Выбрано товаров: 18