Запчасти Komatsu SA6D170E-2C СТОП МОТОР ДВИГАТЕЛЯ(№89-) ДВИГАТЕЛЬ

Схема запчастей Komatsu SA6D170E-2C - СТОП МОТОР ДВИГАТЕЛЯ(№89-) ДВИГАТЕЛЬ
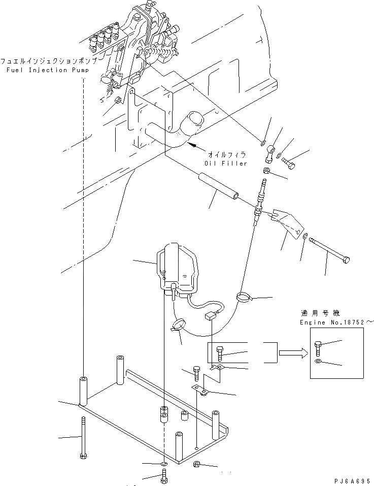
1
2
3
4
5
5
6
7
8
8
9
10
11
12
13
13
14
15
16
17
18
19
20
21
FIT
1:1
100%

Артикул

Название

Примечание

Количество

1

600-815-7680

MOTOR ASS'Y

SN: 18669-UP

1шт.

2

01010-81020

BOLT

SN: 18669-UP

1шт.

3

01011-81050

BOLT

SN: 18669-UP

4шт.

4

08034-00310

BAND

SN: 18669-UP

1шт.

5

01643-30623

WASHER

SN: 18669-UP

2шт.

6

01010-80625

BOLT

SN: 18669-UP

1шт.

7

04250-50639

END,ROD

SN: 18669-UP

1шт.

8

01580-00605

NUT

SN: 18669-UP

2шт.

9

08034-00519

BAND

SN: 18669-UP

1шт.

10

01010-80645

BOLT

SN: 18669-UP

3шт.

11

01602-00619

WASHER,SPRING

SN: 18669-UP

3шт.

12

08053-00910

CLIP

SN: 18669-UP

1шт.

13

01010-81016

BOLT

SN: 18669-UP

1шт.

14

01580-01008

NUT

SN: 18669-UP

1шт.

15

426-01-11310

BRACKET

SN: 18669-UP

1шт.

16

6162-73-8871

BRACKET

SN: 18669-UP

1шт.

17

6162-75-8880

BRACKET

SN: 18669-UP

1шт.

18

01011-81285

BOLT

SN: 18669-UP

1шт.

19

01643-31232

WASHER

SN: 18669-UP

1шт.

20

22S-62-15160

SPACER

SN: 18669-UP

1шт.

21

01640-21016

WASHER

SN: 18752-UP

1шт.

Выбрано товаров: 21