Запчасти Komatsu SA6D170E-2C-WD ЛИНИЯ КОМПРЕССОРА (/)(№-) ДВИГАТЕЛЬ

Схема запчастей Komatsu SA6D170E-2C-WD - ЛИНИЯ КОМПРЕССОРА (/)(№-) ДВИГАТЕЛЬ
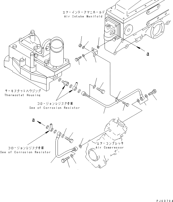
1
2
3
4
4
4
5
6
7
8
8
9
10
11
12
13
14
15
15
FIT
1:1
100%

Артикул

Название

Примечание

Количество

1

6162-85-6980

TUBE

SN: 21564-UP

1шт.

2

07206-31014

BOLT,JOINT

SN: 21564-UP

1шт.

3

6127-71-5710

BOLT,JOINT

SN: 21564-UP

1шт.

4

07005-01412

GASKET

SN: 21564-UP

3шт.

5

6162-85-6991

TUBE

SN: 21564-UP

1шт.

6

07206-31014

BOLT,JOINT

SN: 21564-UP

1шт.

7

6127-71-5710

BOLT,JOINT

SN: 21564-UP

1шт.

8

07005-01412

GASKET (K8)

SN: 21564-UP

3шт.

9

6150-21-5720

BRACKET

SN: 21564-UP

1шт.

10

01010-80816

BOLT

SN: 21564-UP

1шт.

11

01643-30823

WASHER

SN: 21564-UP

1шт.

12

01580-00806

NUT

SN: 21564-UP

1шт.

13

6162-83-6980

CLIP

SN: 21564-UP

1шт.

14

01010-81045

BOLT

SN: 21564-UP

1шт.

15

01640-21016

WASHER

SN: 21564-UP

2шт.

Выбрано товаров: 15