Запчасти Komatsu SA6D95L-1C-L СИСТЕМА СМАЗКИ МАСЛООХЛАДИТЕЛЬ(№7-7) СИСТЕМА СМАЗКИ МАСЛ. СИСТЕМА

Схема запчастей Komatsu SA6D95L-1C-L - СИСТЕМА СМАЗКИ МАСЛООХЛАДИТЕЛЬ(№7-7) СИСТЕМА СМАЗКИ МАСЛ. СИСТЕМА
FIT
1:1
100%

Артикул

Название

Примечание

Количество

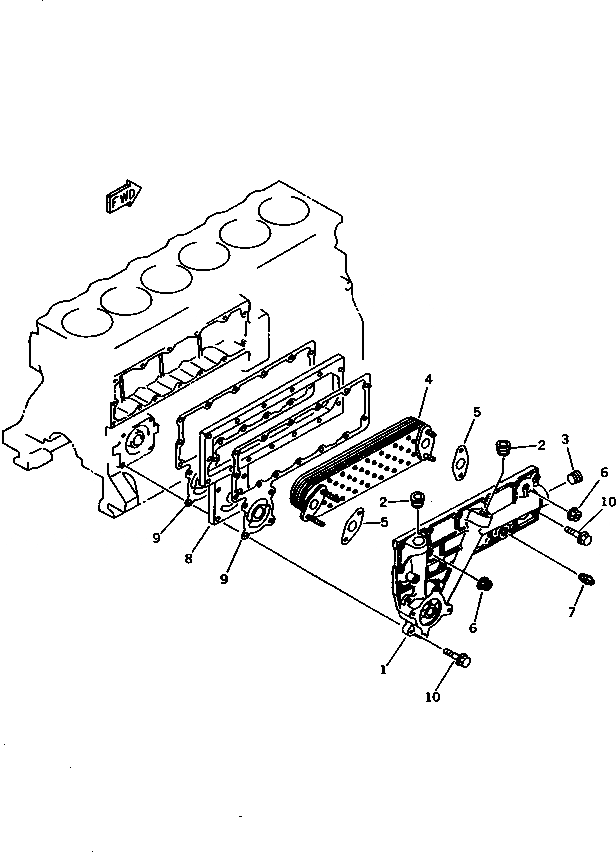
1

6207-61-5110

COVER ASS'Y

SN: 35398-70410

1шт.

2

6204-61-5170

PLUG

SN: 35398-@

2шт.

3

6206-61-5170

PLUG

SN: 35398-@

1шт.

4

600-651-1550

ELEMENT

SN: 66471-@

1шт.

5

6204-61-5190

GASKET (K2)

SN: 35398-@

2шт.

6

01584-00806

NUT

SN: 35398-@

4шт.

7

07042-20312

PLUG

SN: 35398-@

1шт.

8

6207-61-5290

SPACER

SN: 66471-@

1шт.

9

6207-61-5311

GASKET (K2)

SN: 66471-70410

2шт.

10

01435-20840

BOLT

SN: 66471-@

18шт.

Выбрано товаров: 0