Запчасти Komatsu SA6D95L-1C-L ГЕНЕРАТОР И КРЕПЛЕНИЕ (A¤ A) (BRUSH-LESS ТИП)(№7-) ЭЛЕКТРИКА

Схема запчастей Komatsu SA6D95L-1C-L - ГЕНЕРАТОР И КРЕПЛЕНИЕ (A¤ A) (BRUSH-LESS ТИП)(№7-) ЭЛЕКТРИКА
FIT
1:1
100%

Артикул

Название

Примечание

Количество

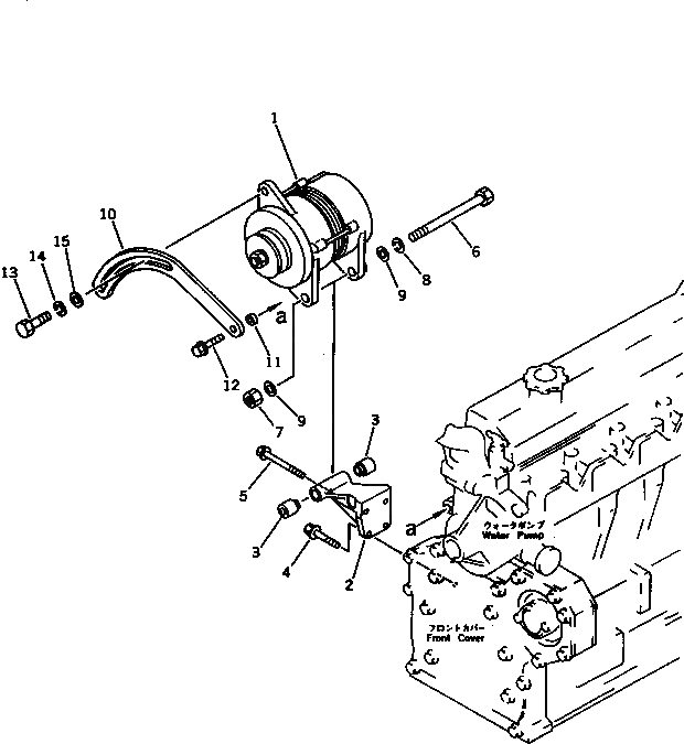
1

600-821-7620

ALTERNATOR A. (35A),(WITH NON HARDENING PULLEY)

SN: 57205-UP

1шт.

|1

600-821-5650

ALTERNATOR A. (25A),(WITH HARDENING PULLEY)

SN: 57205-UP

1шт.

|1

600-821-7580

ALTERNATOR A. (35A),(WITH HARDENING PULLEY)

SN: 57205-UP

1шт.

2

6207-81-6510

BRACKET

SN: 57205-UP

1шт.

3

6206-81-6840

SPACER

SN: 57205-UP

2шт.

4

01435-20825

BOLT

SN: 57205-UP

3шт.

5

01435-20895

BOLT

SN: 57205-UP

1шт.

6

6206-81-6920

BOLT

SN: 57205-UP

1шт.

7

01580-01210

NUT

SN: 57205-UP

1шт.

8

01602-01236

WASHER,SPRING

SN: 57205-UP

1шт.

9

01641-21223

WASHER

SN: 57205-UP

2шт.

10

6207-81-6421

PLATE,ADJUST

SN: 57205-UP

1шт.

11

6141-64-2560

SPACER

SN: 57205-UP

1шт.

12

01435-20870

BOLT

SN: 57205-UP

1шт.

13

01050-31235

BOLT

SN: 57205-UP

1шт.

14

01602-01236

WASHER,SPRING

SN: 57205-UP

1шт.

15

01643-31232

WASHER

SN: 57205-UP

1шт.

Выбрано товаров: 17