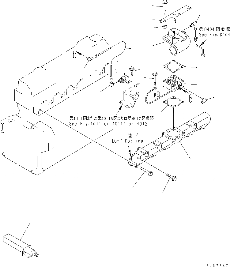
Запчасти Komatsu SA6D95L-1C ТРУБОПРОВОД ВПУСКА ВОЗДУХА И СОЕДИН-Е (ДЛЯ BOOST COMPENSATE ТИПТОПЛ. НАСОС) ГОЛОВКА ЦИЛИНДРОВ

Схема запчастей Komatsu SA6D95L-1C - ТРУБОПРОВОД ВПУСКА ВОЗДУХА И СОЕДИН-Е (ДЛЯ BOOST COMPENSATE ТИП  ТОПЛ. НАСОС) ГОЛОВКА ЦИЛИНДРОВ
1
2
3
4
5
6
7
7
8
9
10
11
12
13
13
13
14
15
16
FIT
1:1
100%

Артикул

Название

Примечание

Количество

1

6206-11-4120

MANIFOLD,AIR INTAKE

SN: 35398-UP

1шт.

2

01435-21025

BOLT

SN: 35398-UP

11шт.

3

01435-21075

BOLT

SN: 35398-UP

1шт.

4

600-815-2341

HEATER,RIBBON

SN: 35398-UP

1шт.

5

6206-11-4220

CONNECTOR,AIR

SN: 35398-UP

1шт.

6

6138-71-3880

ELBOW

SN: 35398-UP

1шт.

7

6136-11-4820

GASKET (K1)

SN: 35398-UP

2шт.

8

01436-01005

BOLT

SN: 48447-UP

2шт.

8

0

BOLT

SN: 35398-48446

2шт.

9

6209-11-4630

BRACKET

SN: 35398-UP

1шт.

10

6132-21-4630

SPACER

SN: 35398-UP

2шт.

11

01435-21085

BOLT

SN: 35398-UP

2шт.

12

6151-81-4520

WIRE, 265MM

SN: 35398-UP

1шт.

13

08038-00519

CAP

SN: 35398-UP

3шт.

14

600-815-2170

SWITCH

SN: 35398-UP

1шт.

15

01435-20612

BOLT

SN: 35398-UP

2шт.

16

09920-00150

LIQUID GASKET,LG-7, 150G

SN: 35398-UP

-2шт.

Выбрано товаров: 17