Запчасти Komatsu SA8V170-1A СТАРТЕР И КРЕПЛЕНИЕ ЭЛЕКТРИКА

Схема запчастей Komatsu SA8V170-1A - СТАРТЕР И КРЕПЛЕНИЕ ЭЛЕКТРИКА
FIT
1:1
100%

Артикул

Название

Примечание

Количество

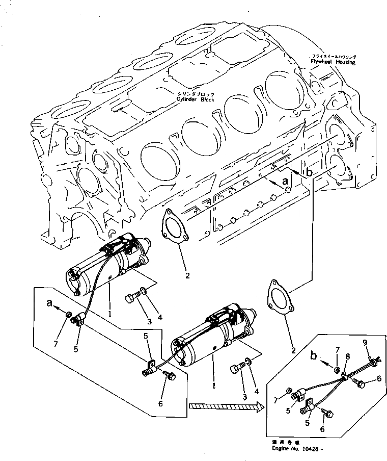
1

600-813-3951

STARTING MOTOR ASS'Y,(11KW)

SN: 10295-UP

2шт.

|1

0

STARTING MOTOR ASS'Y,(11KW)

SN: 10001-10294

2шт.

2

6610-81-2210

GASKET (K2)

SN: 10001-UP

2шт.

3

01010-31645

BOLT

SN: 10001-UP

6шт.

4

01602-01648

WASHER,SPRING

SN: 10001-UP

6шт.

5

600-050-2620

CLIP

SN: 10001-UP

2шт.

6

01435-01030

BOLT

SN: 10429-UP

2шт.

|6

01435-01030

BOLT

SN: 10001-10428

1шт.

7

6110-23-6490

SPACER

SN: 10429-UP

2шт.

|7

6110-23-6490

SPACER

SN: 10001-10428

1шт.

8

08036-31214

CLIP

SN: 10429-UP

1шт.

9

08034-00310

BAND

SN: 10429-UP

1шт.

Выбрано товаров: 12