Запчасти Komatsu SA8V170-1A ПЕРЕДН. АКСЕССУАРЫ ПРИВОД АКСЕССУАРЫ

Схема запчастей Komatsu SA8V170-1A - ПЕРЕДН. АКСЕССУАРЫ ПРИВОД АКСЕССУАРЫ
FIT
1:1
100%

Артикул

Название

Примечание

Количество

G-1

0

DRIVE GROUP,AIR CONDITIONER

SN: 10001-UP

1шт.

|$$2

====================

-1шт.

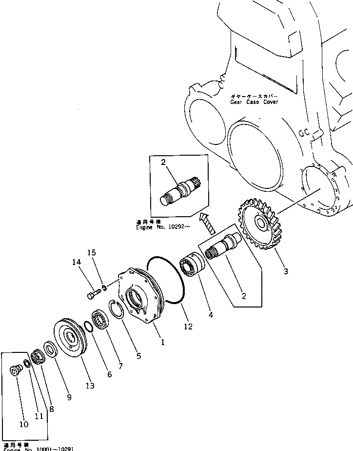
1

6164-61-1710

CASE

SN: 10001-UP

1шт.

2

6164-91-1311

SHAFT

SN: 10292-UP

1шт.

|2

6164-61-1630

SHAFT

SN: 10001-10291

1шт.

3

6164-91-1320

GEAR

SN: 10292-UP

1шт.

|3

6164-31-6610

GEAR

SN: 10001-10291

1шт.

4

6164-61-1730

BEARING

SN: 10001-UP

1шт.

5

04065-09030

RING,SNAP

SN: 10001-UP

1шт.

6

07000-02055

O-RING (K2)

SN: 10001-UP

1шт.

7

07012-20070

SEAL,OIL (K2)

SN: 10001-UP

1шт.

8

6164-61-1770

NUT

SN: 10001-UP

1шт.

9

6164-61-1790

WASHER

SN: 10001-UP

1шт.

10

6164-61-1870

PLUG

SN: 10001-10291

1шт.

11

07005-03016

GASKET

SN: 10001-10291

1шт.

12

6164-61-1751

O-RING (K2)

SN: 10001-UP

1шт.

13

6164-81-7210

PULLEY

SN: 10001-UP

1шт.

14

01010-31030

BOLT

SN: 10001-UP

8шт.

15

01602-01030

WASHER,SPRING

SN: 10001-UP

8шт.

|$$20

====================

-1шт.

Выбрано товаров: 20