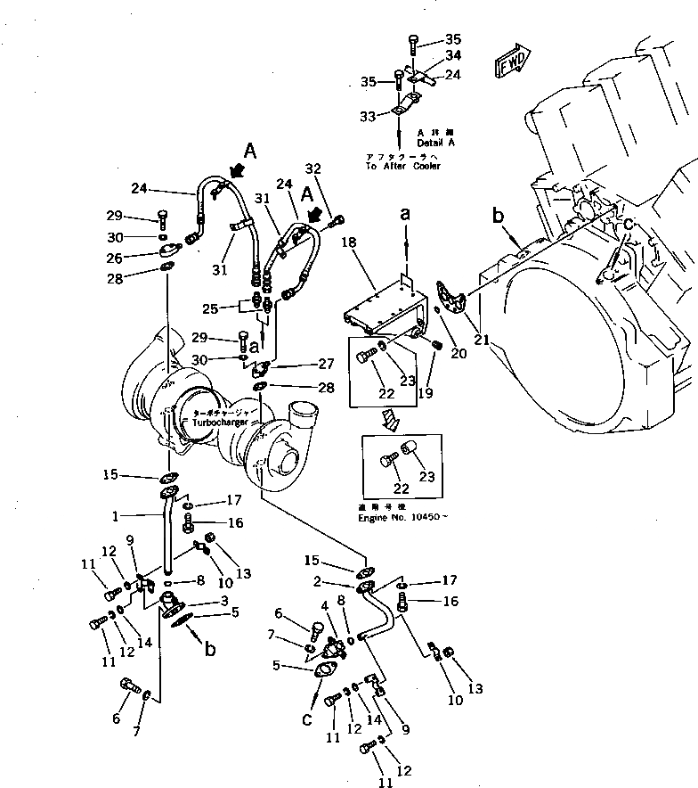
Запчасти Komatsu SA8V170-1B ЛИНИЯ СМАЗКИ ТУРБОНАГНЕТАТЕЛЯ СИСТЕМА СМАЗКИ МАСЛ. СИСТЕМА

Схема запчастей Komatsu SA8V170-1B - ЛИНИЯ СМАЗКИ ТУРБОНАГНЕТАТЕЛЯ СИСТЕМА СМАЗКИ МАСЛ. СИСТЕМА
FIT
1:1
100%

Артикул

Название

Примечание

Количество

1

6164-51-8450

TUBE

SN: 10007-UP

1шт.

2

6164-51-8440

TUBE

SN: 10007-UP

1шт.

3

6164-51-8270

CONNECTOR

SN: 10007-UP

1шт.

4

6164-51-8460

CONNECTOR

SN: 10007-UP

1шт.

5

6128-51-6830

GASKET (K2)

SN: 10007-UP

2шт.

6

01010-31025

BOLT

SN: 10007-UP

4шт.

7

01602-01030

WASHER,SPRING

SN: 10007-UP

4шт.

8

07000-32020

O-RING (K1)

SN: 10007-UP

2шт.

9

6164-51-8360

BRACKET

SN: 10007-UP

2шт.

10

6164-51-8370

CLAMP

SN: 10007-UP

2шт.

11

01010-30816

BOLT

SN: 10007-UP

8шт.

12

01602-00825

WASHER,SPRING

SN: 10007-UP

8шт.

13

01580-00806

NUT

SN: 10007-UP

4шт.

14

01640-00816

WASHER

SN: 10007-UP

4шт.

15

6151-51-8150

GASKET (K1)

SN: 10007-UP

2шт.

16

01010-31030

BOLT

SN: 10007-UP

4шт.

17

01602-01030

WASHER,SPRING

SN: 10007-UP

4шт.

18

6164-51-8711

BRACKET

SN: 10450-UP

1шт.

18

6164-51-8710

BRACKET

SN: 10007-10449

1шт.

19

07043-50211

PLUG

SN: 10007-UP

1шт.

20

07000-62020

O-RING (K2)

SN: 10007-UP

1шт.

21

6164-51-8172

GASKET (K2)

SN: 10450-UP

1шт.

21

0

GASKET (K2)

SN: 10362-10449

1шт.

21

0

GASKET (K2)

SN: 10007-10361

1шт.

22

01010-31260

BOLT

SN: 10450-UP

4шт.

22

01010-31035

BOLT

SN: 10007-10449

4шт.

23

6128-21-6730

SPACER

SN: 10450-UP

4шт.

23

01602-01030

WASHER,SPRING

SN: 10007-10449

4шт.

24

6164-51-8631

HOSE,INLET

SN: 10426-UP

2шт.

24

6164-51-8630

HOSE,INLET

SN: 10007-10425

2шт.

25

07214-50813

CONNECTOR

SN: 10007-UP

2шт.

26

6164-51-8620

FLANGE

SN: 10007-UP

1шт.

27

6164-51-8610

FLANGE

SN: 10007-UP

1шт.

28

6151-51-8160

GASKET (K1)

SN: 10007-UP

2шт.

29

01010-31030

BOLT

SN: 10007-UP

4шт.

30

01602-01030

WASHER,SPRING

SN: 10007-UP

4шт.

31

6128-81-4950

CLIP

SN: 10007-UP

2шт.

32

01010-30812

BOLT

SN: 10007-UP

2шт.

33

6115-51-7740

BRACKET

SN: 10007-UP

2шт.

34

6710-51-8130

CLIP

SN: 10007-UP

2шт.

35

01010-30816

BOLT

SN: 10007-UP

4шт.

Выбрано товаров: 41