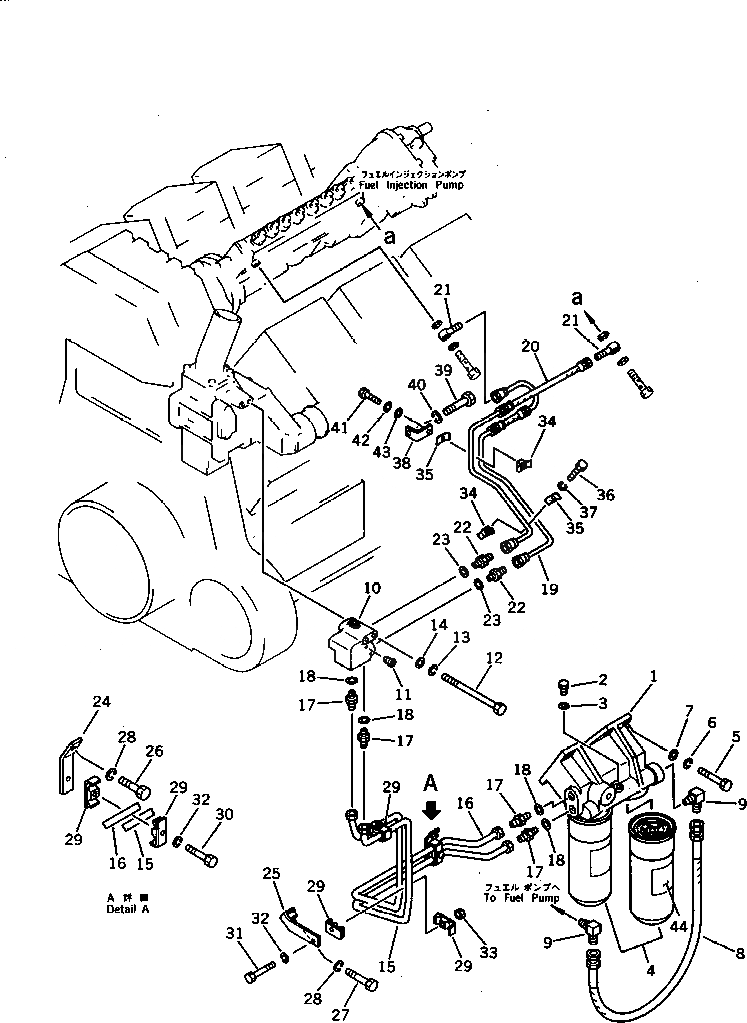
Запчасти Komatsu SA8V170-1B ТОПЛИВН. ФИЛЬТР. И ТРУБЫ(№7-9) ТОПЛИВН. СИСТЕМА

Схема запчастей Komatsu SA8V170-1B - ТОПЛИВН. ФИЛЬТР. И ТРУБЫ(№7-9) ТОПЛИВН. СИСТЕМА
FIT
1:1
100%

Артикул

Название

Примечание

Количество

|$0

6164-71-6200

FUEL FILTER ASS'Y

SN: 10007-@

1шт.

1

6164-71-6210

BRACKET

SN: 10007-@

1шт.

2

6110-73-6231

PLUG

SN: 10007-@

1шт.

3

07005-00812

GASKET

SN: 10007-@

1шт.

4

600-311-7110

CARTRIDGE

SN: 10007-@

2шт.

5

01010-31040

BOLT

SN: 10007-@

7шт.

6

01602-01030

WASHER,SPRING

SN: 10007-@

7шт.

7

01640-01016

WASHER

SN: 10007-@

7шт.

8

07102-20508

HOSE

SN: 10196-@

1шт.

8

0

HOSE

SN: 10007-10195

1шт.

9

287-04-11120

ELBOW

SN: 10007-@

2шт.

10

6164-71-6630

JOINT

SN: 10007-@

1шт.

11

07043-00108

PLUG

SN: 10007-@

1шт.

12

01011-31010

BOLT

SN: 10007-@

2шт.

13

01602-01030

WASHER,SPRING

SN: 10007-@

2шт.

14

01640-01016

WASHER

SN: 10007-@

2шт.

15

6164-71-6670

TUBE

SN: 10007-@

1шт.

16

6164-71-6680

TUBE

SN: 10007-@

1шт.

17

07211-51522

NIPPLE

SN: 10007-@

4шт.

18

07005-02216

GASKET (K2)

SN: 10007-@

4шт.

19

6164-71-6660

HOSE

SN: 10007-10195

1шт.

20

6164-71-6650

HOSE

SN: 10007-10195

1шт.

21

6164-71-5140

JOINT

SN: 10007-@

2шт.

22

07212-50814

NIPPLE

SN: 10007-@

2шт.

23

07005-01412

GASKET (K2)

SN: 10007-@

2шт.

24

6164-71-6770

BRACKET

SN: 10007-@

1шт.

25

6164-71-6691

BRACKET

SN: 10007-@

1шт.

26

01010-31030

BOLT

SN: 10007-@

1шт.

27

01010-31050

BOLT

SN: 10007-@

1шт.

28

01602-01030

WASHER,SPRING

SN: 10007-@

2шт.

29

6164-71-6780

CLAMP

SN: 10007-@

6шт.

30

01010-30840

BOLT

SN: 10007-@

1шт.

31

01010-30845

BOLT

SN: 10007-@

2шт.

32

01602-00825

WASHER,SPRING

SN: 10007-@

3шт.

33

01580-00806

NUT

SN: 10007-@

2шт.

34

6165-71-5240

CLIP

SN: 10007-@

2шт.

35

6165-71-5250

CLIP

SN: 10007-@

2шт.

36

01010-30820

BOLT

SN: 10007-@

1шт.

37

01602-00825

WASHER,SPRING

SN: 10007-@

1шт.

38

6164-71-6640

BRACKET

SN: 10007-10195

1шт.

39

01010-31245

BOLT

SN: 10007-10195

1шт.

40

01602-01236

WASHER,SPRING

SN: 10007-10195

1шт.

41

01010-30825

BOLT

SN: 10007-10195

1шт.

42

01602-00825

WASHER,SPRING

SN: 10007-10195

1шт.

43

01640-00816

WASHER

SN: 10007-10195

1шт.

44

600-311-8612

PLATE, CAUTION,(ENGLISH)

SN: 10007-@

2шт.

44

600-311-8622

PLATE, CAUTION,(SPANISH)

SN: 10007-@

2шт.

Выбрано товаров: 47