Запчасти Komatsu SA8V170-1B ВОДЯНАЯ ПОМПА СИСТЕМА ОХЛАЖДЕНИЯ

Схема запчастей Komatsu SA8V170-1B - ВОДЯНАЯ ПОМПА СИСТЕМА ОХЛАЖДЕНИЯ
FIT
1:1
100%

Артикул

Название

Примечание

Количество

|$0

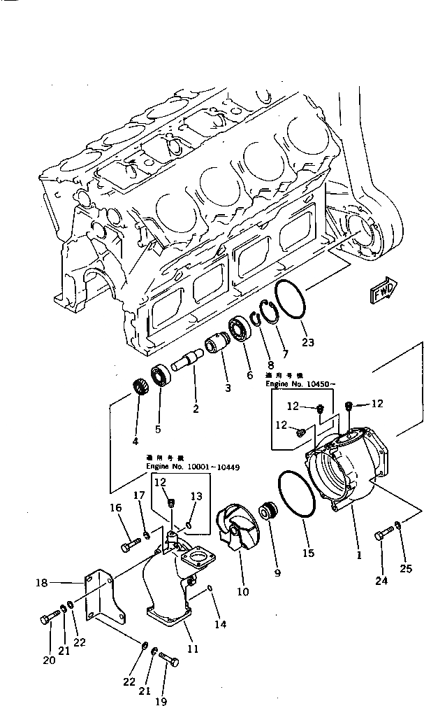
6164-61-1011

WATER PUMP ASS'Y

SN: 10450-UP

1шт.

|$1

0

WATER PUMP ASS'Y

SN: 10007-10449

1шт.

1

0

BODY

SN: 10450-UP

1шт.

1

0

BODY

SN: 10007-10449

1шт.

|$4

6164-61-1300

SHAFT ASS'Y

SN: 10007-UP

1шт.

2

0

SHAFT

SN: 10007-UP

1шт.

3

0

SHAFT

SN: 10007-UP

1шт.

4

6164-61-1160

SEAL,OIL (K6)

SN: 10007-UP

1шт.

5

06000-06207

BEARING,BALL

SN: 10007-UP

1шт.

6

06000-06209

BEARING,BALL

SN: 10007-UP

1шт.

7

04065-08530

RING,SNAP

SN: 10007-UP

1шт.

8

04064-04518

RING,SNAP

SN: 10007-UP

1шт.

9

6127-61-1516

SEAL, WATER (K6)

SN: 10007-UP

1шт.

10

6165-61-1351

IMPELLER

SN: 10450-UP

1шт.

10

0

IMPELLER

SN: 10007-10449

1шт.

11

6164-61-1181

COVER

SN: 10450-UP

1шт.

11

6164-61-1180

COVER

SN: 10007-10449

1шт.

12

07043-00211

PLUG

SN: 10450-UP

3шт.

12

07043-00211

PLUG

SN: 10007-10449

2шт.

13

07000-02016

O-RING (K6)

SN: 10007-10449

1шт.

14

07000-02012

O-RING (K6)

SN: 10007-UP

1шт.

15

07000-05165

O-RING (K6)

SN: 10007-UP

1шт.

16

01010-31030

BOLT

SN: 10007-UP

4шт.

17

01602-01030

WASHER,SPRING

SN: 10007-UP

4шт.

18

6165-21-6810

BRACKET

SN: 10007-UP

1шт.

19

01010-31030

BOLT

SN: 10007-UP

2шт.

20

01010-31035

BOLT

SN: 10007-UP

2шт.

21

01602-01030

WASHER,SPRING

SN: 10007-UP

4шт.

22

01640-01016

WASHER

SN: 10007-UP

4шт.

23

6164-61-1551

O-RING (K6)

SN: 10007-UP

1шт.

24

01010-31030

BOLT

SN: 10007-UP

6шт.

25

01602-01030

WASHER,SPRING

SN: 10007-UP

6шт.

Выбрано товаров: 32