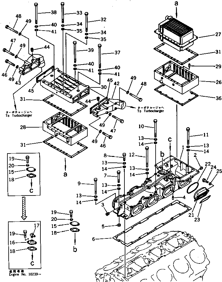
Запчасти Komatsu SA8V170-1B ТРУБОПРОВОД ВПУСКА ВОЗДУХА И ПОСЛЕОХЛАДИТЕЛЬ(№7-8) ГОЛОВКА ЦИЛИНДРОВ

Схема запчастей Komatsu SA8V170-1B - ТРУБОПРОВОД ВПУСКА ВОЗДУХА И ПОСЛЕОХЛАДИТЕЛЬ(№7-8) ГОЛОВКА ЦИЛИНДРОВ
FIT
1:1
100%

Артикул

Название

Примечание

Количество

1

6164-11-4131

MANIFOLD,INTAKE

SN: 10007-@

1шт.

2

07043-00108

PLUG

SN: 10007-@

4шт.

3

07043-00211

PLUG

SN: 10007-@

1шт.

4

6164-21-1190

PIN

SN: 10007-@

2шт.

5

6164-11-4120

GROMMET (K1)

SN: 10007-@

1шт.

6

6164-11-4150

GASKET (K1)

SN: 10007-@

1шт.

7

01010-31085

BOLT

SN: 10007-@

1шт.

8

01010-31035

BOLT

SN: 10007-@

3шт.

9

01011-51050

BOLT

SN: 10239-@

5шт.

|9

0

BOLT

SN: 10007-10238

5шт.

10

01011-31065

BOLT

SN: 10007-@

1шт.

11

01011-31075

BOLT

SN: 10007-@

5шт.

12

562-15-16410

BOLT

SN: 10007-@

2шт.

13

01602-01030

WASHER,SPRING

SN: 10007-@

17шт.

14

01640-01016

WASHER

SN: 10007-@

17шт.

15

6164-11-4190

PLATE

SN: 10239-10338

1шт.

|15

6164-11-4190

PLATE

SN: 10007-10238

2шт.

16

6164-11-4180

PLATE

SN: 10239-10338

1шт.

17

6137-81-3221

ELBOW

SN: 10239-10338

1шт.

18

6164-61-6360

GASKET (K1)

SN: 10007-@

2шт.

19

01010-31025

BOLT

SN: 10239-@

4шт.

|19

01010-31030

BOLT

SN: 10007-10238

4шт.

20

01602-01030

WASHER,SPRING

SN: 10239-10338

2шт.

|20

01602-01030

WASHER,SPRING

SN: 10007-10238

4шт.

21

6165-11-4811

CONNECTOR

SN: 10075-10338

8шт.

|21

0

CONNECTOR

SN: 10007-10074

8шт.

22

6164-11-4850

O-RING (K1)

SN: 10007-@

8шт.

23

6164-11-4871

O-RING (K1)

SN: 10246-@

8шт.

|23

0

O-RING (K1)

SN: 10007-10245

8шт.

24

01010-31025

BOLT

SN: 10007-@

32шт.

25

01640-01016

WASHER

SN: 10007-@

32шт.

|26

6164-61-7101

AFTER COOLER ASS'Y

SN: 10239-@

1шт.

|26

0

AFTER COOLER ASS'Y

SN: 10007-10238

1шт.

26

6164-61-6150

HOUSING

SN: 10007-@

1шт.

27

6164-61-6111

CORE ASS'Y

SN: 10239-@

1шт.

|27

0

CORE ASS'Y

SN: 10007-10238

1шт.

28

6164-61-6140

HOUSING

SN: 10007-@

1шт.

29

04020-01024

PIN,DOWEL

SN: 10007-@

2шт.

30

6164-61-7110

COVER

SN: 10007-@

1шт.

31

6164-61-6130

GASKET (K1)

SN: 10007-@

3шт.

32

700-26-11122

BOLT

SN: 10007-@

2шт.

33

700-84-11171

BOLT

SN: 10007-@

2шт.

34

01602-01030

WASHER,SPRING

SN: 10007-@

4шт.

35

01640-01016

WASHER

SN: 10007-@

4шт.

36

6164-11-4330

GASKET (K1)

SN: 10007-@

1шт.

37

6164-61-7120

BOLT

SN: 10007-@

2шт.

38

6164-61-7130

BOLT

SN: 10007-@

6шт.

39

6164-61-7190

BOLT

SN: 10007-@

6шт.

40

01602-01030

WASHER,SPRING

SN: 10007-10146

14шт.

41

01640-01016

WASHER

SN: 10007-@

14шт.

42

6164-61-7340

CONNECTOR

SN: 10007-@

1шт.

43

6164-61-7350

CONNECTOR

SN: 10007-@

1шт.

44

02720-10406

PLUG

SN: 10007-@

4шт.

45

6164-61-7160

GASKET (K1)

SN: 10007-@

2шт.

46

01010-31075

BOLT

SN: 10007-@

4шт.

47

01011-31010

BOLT

SN: 10007-@

4шт.

48

01011-31025

BOLT

SN: 10007-@

4шт.

49

01640-01016

WASHER

SN: 10007-@

12шт.

Выбрано товаров: 58