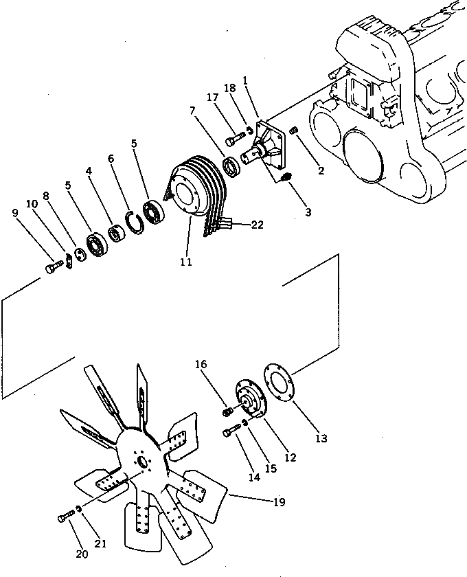
Запчасти Komatsu SA8V170-1B ОХЛАЖДАЮЩИЙ ВЕНТИЛЯТОР И ПРИВОД СИСТЕМА ОХЛАЖДЕНИЯ

Схема запчастей Komatsu SA8V170-1B - ОХЛАЖДАЮЩИЙ ВЕНТИЛЯТОР И ПРИВОД СИСТЕМА ОХЛАЖДЕНИЯ
FIT
1:1
100%

Артикул

Название

Примечание

Количество

|1

6164-61-3600

FAN PULLEY ASS'Y

SN: 10007-UP

1шт.

1

6164-61-3220

SHAFT

SN: 10007-UP

1шт.

2

07043-00108

PLUG

SN: 10007-UP

1шт.

3

07020-00000

FITTING,GREASE

SN: 10007-UP

1шт.

4

6164-61-3260

SPACER

SN: 10007-UP

1шт.

5

06040-06313

BEARING

SN: 10007-UP

2шт.

6

04071-00140

RING,SNAP

SN: 10007-UP

1шт.

7

07012-00090

SEAL (K2)

SN: 10007-UP

1шт.

8

04080-06515

HOLDER

SN: 10007-UP

1шт.

9

01010-31435

BOLT

SN: 10007-UP

2шт.

10

04081-06512

LOCK (K2)

SN: 10007-UP

1шт.

11

6164-61-3120

PULLEY

SN: 10007-UP

1шт.

12

6164-61-3130

SPACER

SN: 10007-UP

1шт.

13

6165-61-3270

GASKET (K2)

SN: 10007-UP

1шт.

14

01010-31240

BOLT

SN: 10007-UP

6шт.

15

01602-01236

WASHER,SPRING

SN: 10007-UP

6шт.

16

07029-00000

VALVE

SN: 10007-UP

1шт.

17

01010-31650

BOLT

SN: 10007-UP

4шт.

18

01602-01648

WASHER,SPRING

SN: 10007-UP

4шт.

19

600-635-4350

FAN

SN: 10007-UP

1шт.

20

01010-31240

BOLT

SN: 10007-UP

6шт.

21

01602-01236

WASHER,SPRING

SN: 10007-UP

6шт.

22

6164-61-8310

V-BELT SET

SN: 10007-UP

1шт.

Выбрано товаров: 23